EasyManua.ls Logo

Subaru ER12 - Page 42

Subaru ER12
84 pages
Print Icon
To Next Page IconTo Next Page
To Next Page IconTo Next Page
To Previous Page IconTo Previous Page
To Previous Page IconTo Previous Page
Loading...
-
38
-
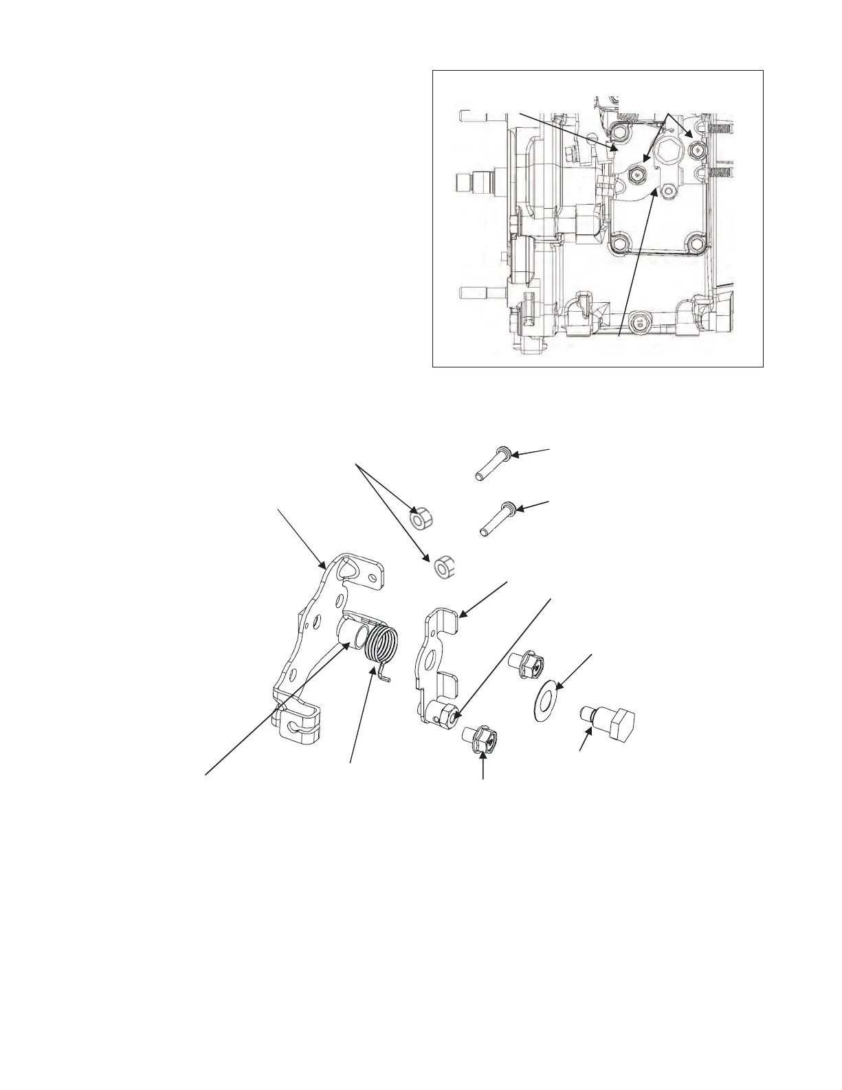
(19) SPEED CONTROL
Install the speed control to the top breather
cover with the bolts
M6 × 10 mm flange bolt : 2 pcs
BREATHER COVER
FLANGE BOLT
SPEED CONTROL AY
RETURN SPRING
SPACER
SPEED CONTROL
LEVER
PIVOT BOLT
BASE PLATE
M6×10 FLANGE BOLT:2pcs.
NUT
SET SCREW (LOW SPEED)
SWIVEL (NUT) M4 x 0.7
FRICTION WASHER
(NYLON)

Related product manuals