EasyManua.ls Logo

Subaru ER12 - Page 44

Subaru ER12
84 pages
Print Icon
To Next Page IconTo Next Page
To Next Page IconTo Next Page
To Previous Page IconTo Previous Page
To Previous Page IconTo Previous Page
Loading...
-
40
-
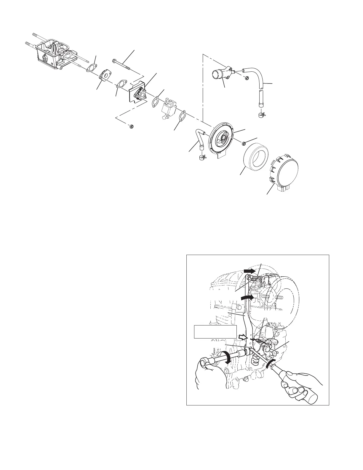
(22) ADJUST GOVERNOR SYSTEM
(1) Turn the speed control lever all the way
toward the high speed position
(2) Check that the governor lever is pulled by
the governor spring and carburetor throttle
valve is fully open
(3) Turn the governor shaft clockwise all the
way using a screw driver, and tighten lock
bolt to secure the lever on the shaft
GOVERNOR
ROD
GOVERNOR
ROD SPRING
GOVERNOR
LEVER
SPEED
CONTROL
LEVER
GOVERNOR
SPRING
GOVERNOR
SHAFT
Normal hooking
position
GASKET
(INSULATOR)
GASKET
(INSULATOR)
INSULATOR 1
INSULATOR 2
M5 x 70mm BOLT : 2 pcs.
GASKET
(CARBURETOR)
RUBBER PIPE
RUBBER PIPE
AIR CLEANER BASE
ADAPTER
(INTAKE)
M5 SELF LOCK NUT : 2pcs.
GASKET
(CARBURETOR)
ELEMENT
AIR CLEANER COVER
540
550
551
560
562
DIAPHRAGM CARBURETOR
565
567
DIAPHRAGM TYPE CARBURETOR

Related product manuals