EasyManua.ls Logo

Sullair 3000P - Wiring Diagram, Vsd Air-Cooled

Sullair 3000P
72 pages
To Next Page IconTo Next Page
To Next Page IconTo Next Page
To Previous Page IconTo Previous Page
To Previous Page IconTo Previous Page
Loading...
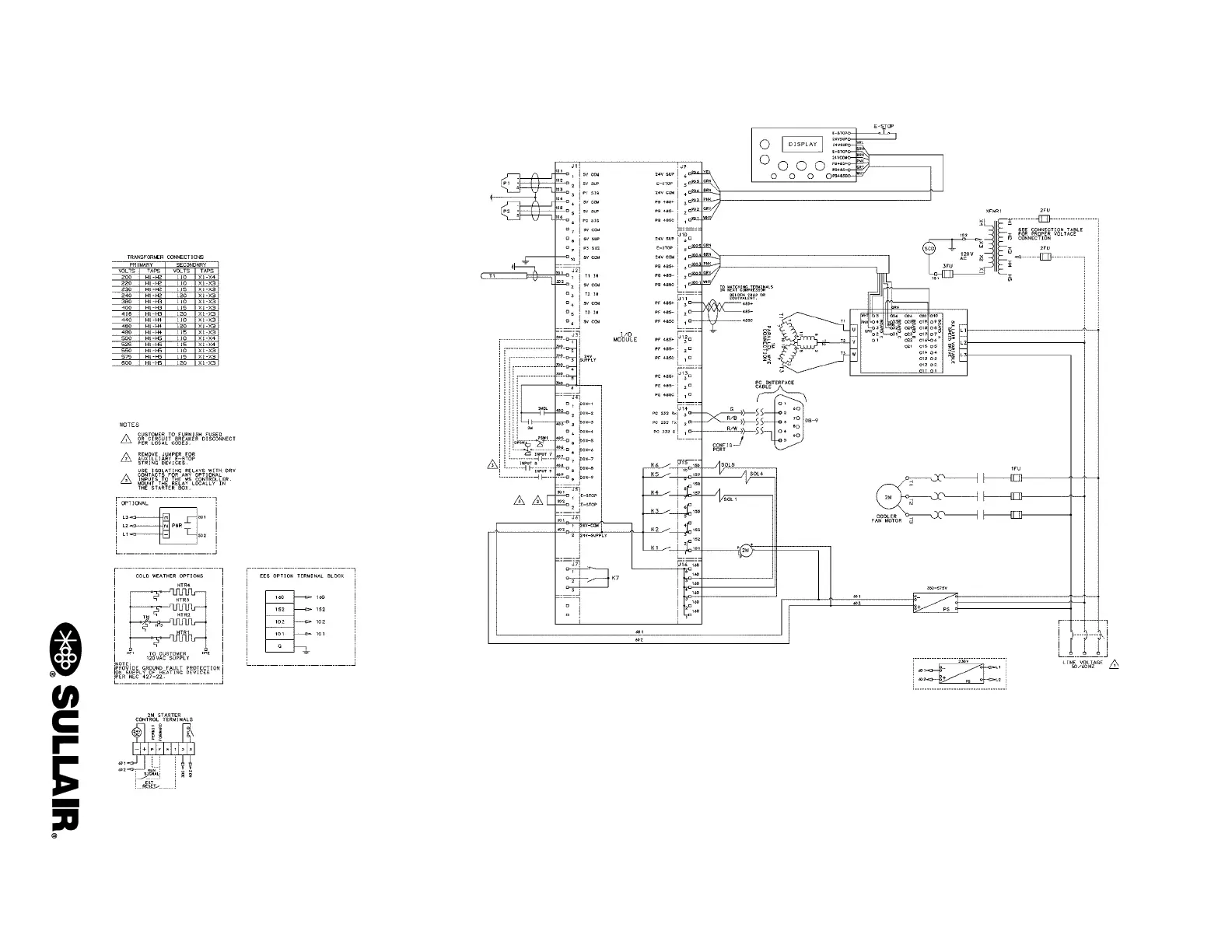
3000P-4500 USER MANUAL SECTION 3
42
3.13 WIRING DIAGRAM, VSD AIR-COOLED
02250156-119 R09

Related product manuals