EasyManua.ls Logo

Sullair 3010 - VSD Water-Cooled Series Delta 575 V Wiring Diagram

Sullair 3010
146 pages
Print Icon
To Next Page IconTo Next Page
To Next Page IconTo Next Page
To Previous Page IconTo Previous Page
To Previous Page IconTo Previous Page
Loading...
3.15
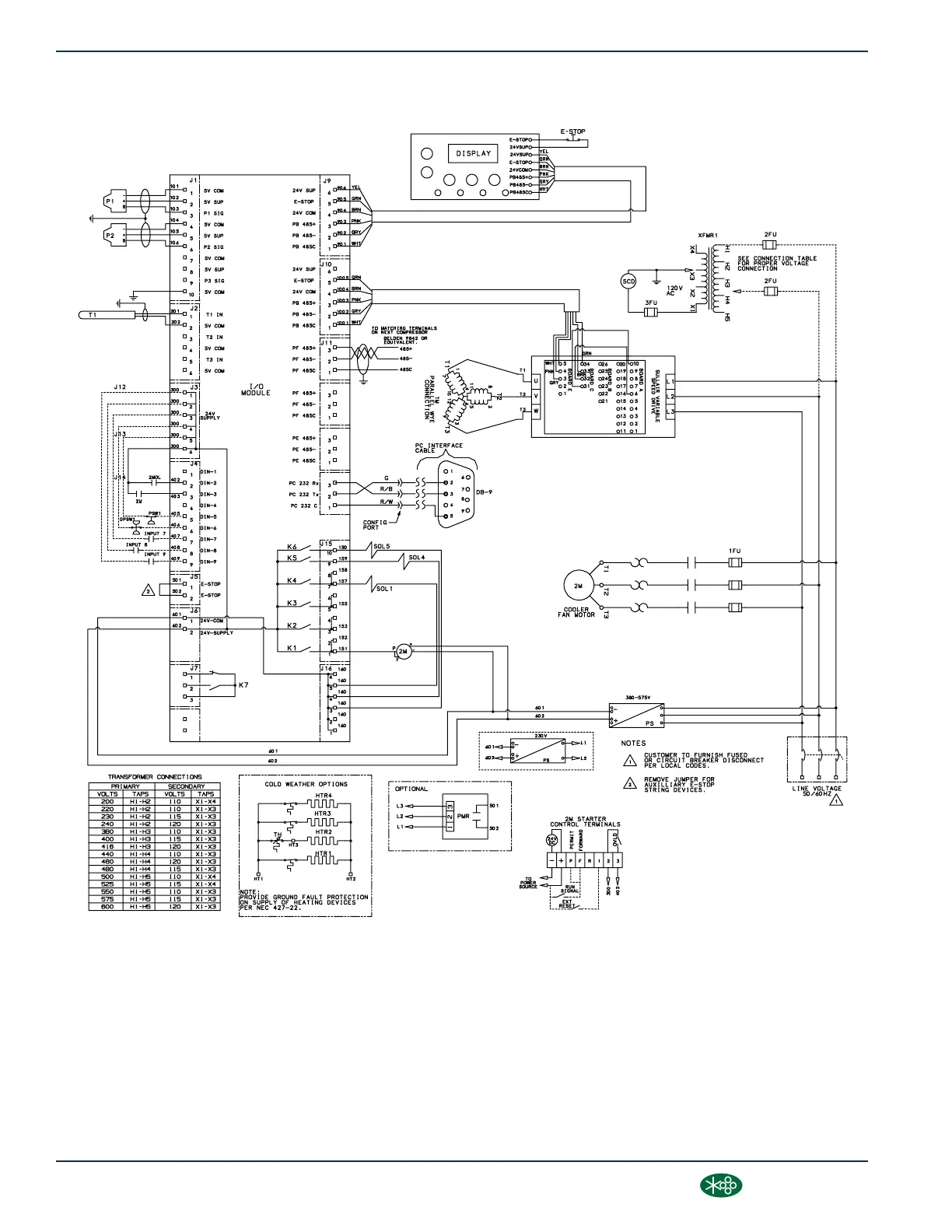
WIRING DIAGRAM, VSD AIR-COOLED
02250156_119r04-2
SECTION 3
42
3000-4500 Operator’s Manual and Parts List
®SULLAIR®

Table of Contents

Other manuals for Sullair 3010

Related product manuals