EasyManua.ls Logo

Sullair 4512 - Identification, Water-Cooled

Sullair 4512
146 pages
Print Icon
To Next Page IconTo Next Page
To Next Page IconTo Next Page
To Previous Page IconTo Previous Page
To Previous Page IconTo Previous Page
Loading...
3.8
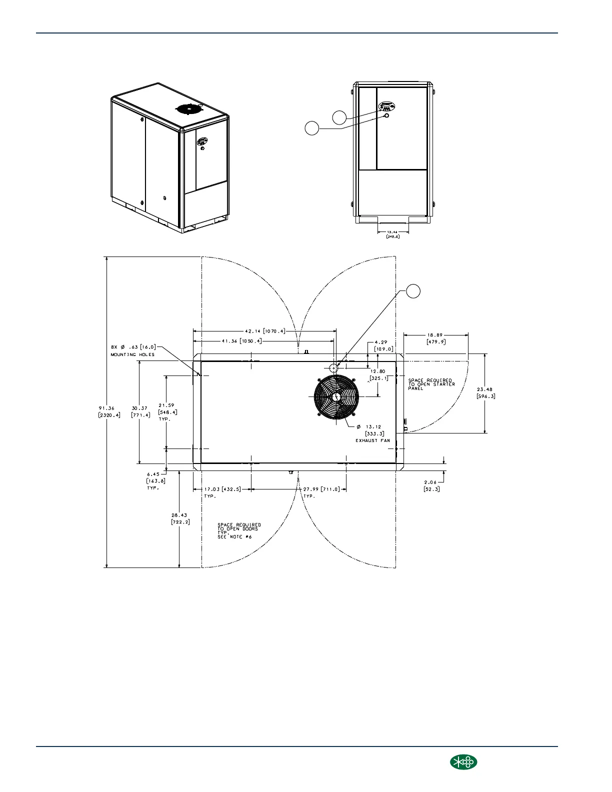
IDENTIFICATION, WATER-COOLED
02250160_729r02-2
2
3
1
SECTION 3
24
3000-4500 Operator’s Manual and Parts List
®SULLAIR®

Table of Contents

Other manuals for Sullair 4512

Related product manuals