EasyManua.ls Logo

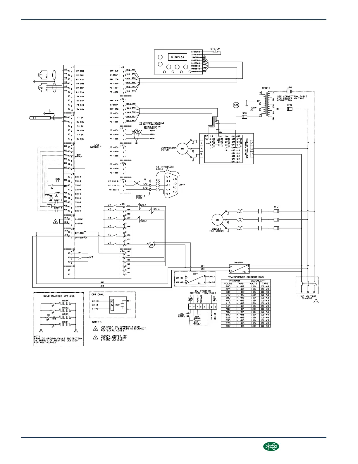
Sullair 4512 - Wiring Diagram, VSD Air-Cooled, 575 V Series Delta

Sullair 4512
146 pages
Print Icon
To Next Page IconTo Next Page
To Next Page IconTo Next Page
To Previous Page IconTo Previous Page
To Previous Page IconTo Previous Page
Loading...
3.17
WIRING DIAGRAM, VSD AIR-COOLED, 575V SERIES DELTA
02250164_731r01-1
SECTION 3
46
3000-4500 Operator’s Manual and Parts List
®SULLAIR®

Table of Contents

Other manuals for Sullair 4512

Related product manuals