EasyManua.ls Logo

Sullair LS20T - Decal Locations- Open Air-Cooled

Sullair LS20T
106 pages
Print Icon
To Next Page IconTo Next Page
To Next Page IconTo Next Page
To Previous Page IconTo Previous Page
To Previous Page IconTo Previous Page
Loading...
Section 9
ILLUSTRATIONS AND PARTS LIST
90
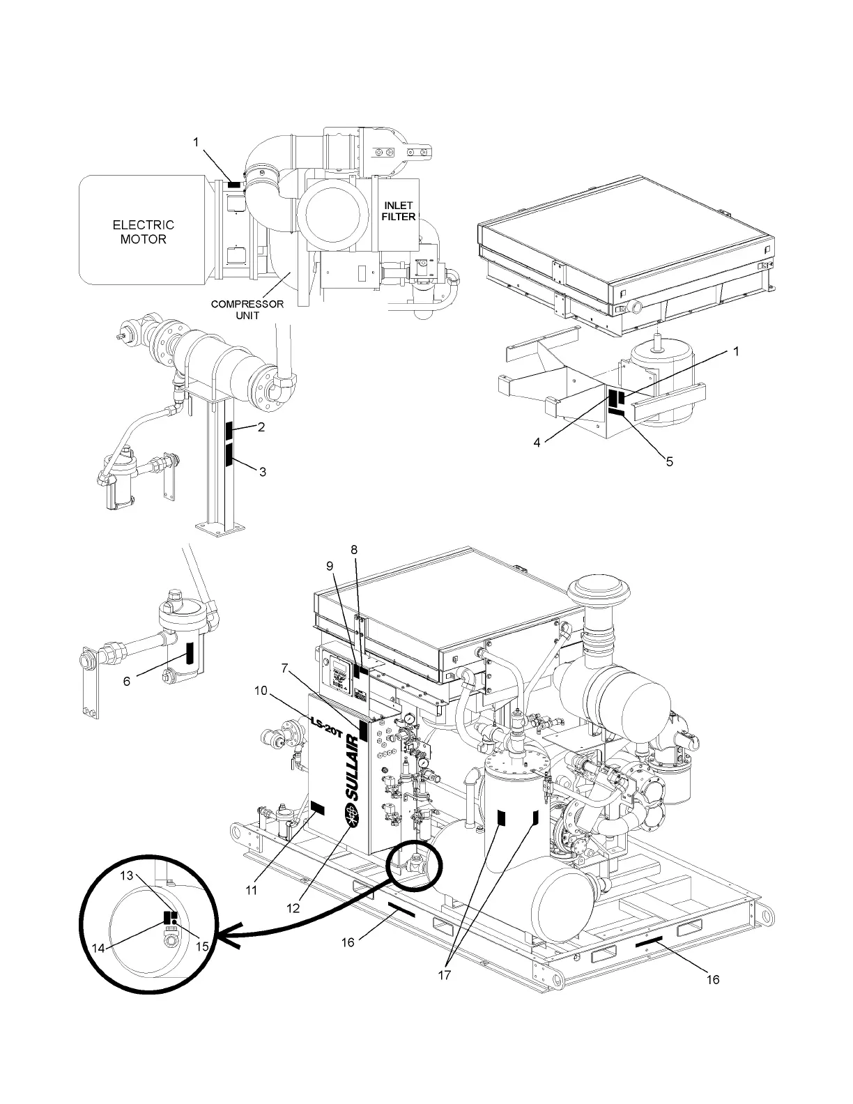
9.18 DECAL LOCATIONS- OPEN AIR-COOLED

Table of Contents

Related product manuals