EasyManua.ls Logo

Sullair LS20T - Fluid Piping System- Air-Cooled

Sullair LS20T
106 pages
Print Icon
To Next Page IconTo Next Page
To Next Page IconTo Next Page
To Previous Page IconTo Previous Page
To Previous Page IconTo Previous Page
Loading...
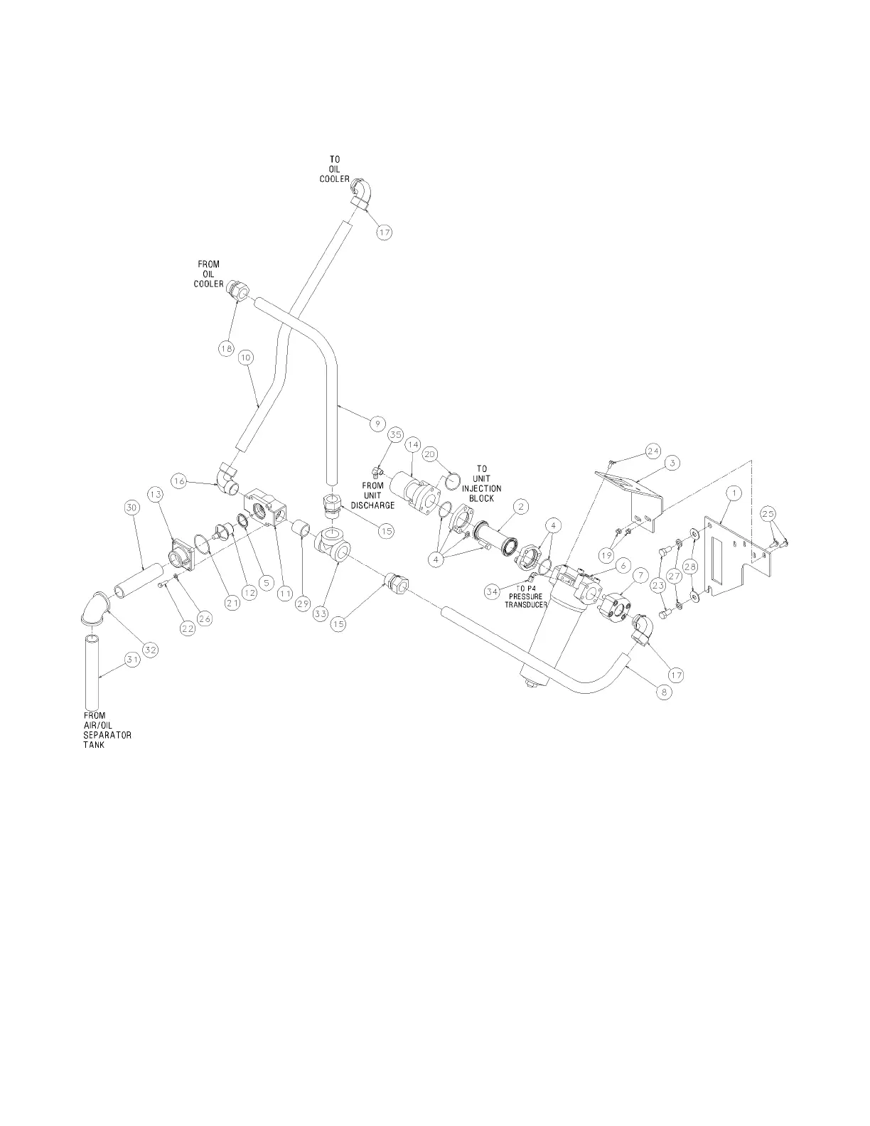
Section 9
ILLUSTRATIONS AND PARTS LIST
58
02250148-216R00
9.9 FLUID PIPING SYSTEM- AIR-COOLED

Table of Contents

Related product manuals