EasyManua.ls Logo

Sullair TS32-300 - Remote Air-Cooled

Sullair TS32-300
80 pages
To Next Page IconTo Next Page
To Next Page IconTo Next Page
To Previous Page IconTo Previous Page
To Previous Page IconTo Previous Page
Loading...
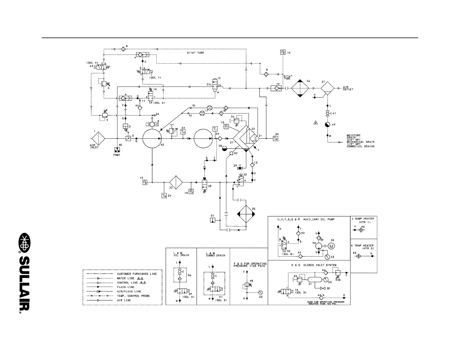
TS32 USER MANUAL SECTION 3
38
Figure 3-5: Piping and Instrumentation Diagram—Remote Air-Cooled
02250179-498 R01

Table of Contents

Related product manuals