EasyManua.ls Logo

Sullair TS32-300 - Air-Cooled Full Voltage

Sullair TS32-300
80 pages
To Next Page IconTo Next Page
To Next Page IconTo Next Page
To Previous Page IconTo Previous Page
To Previous Page IconTo Previous Page
Loading...
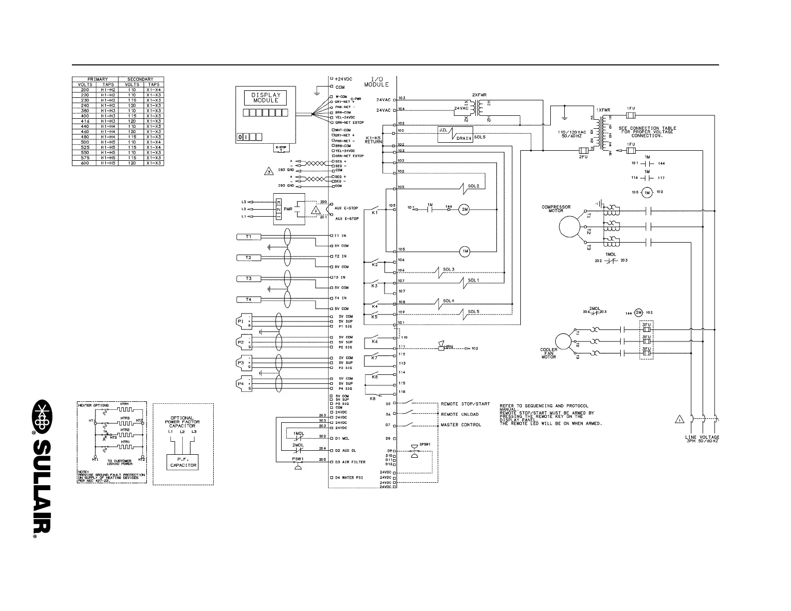
TS32 USER MANUAL SECTION 3
48
Figure 3-8: Wiring Diagram—Air-Cooled Full Voltage
02250178-845 R01

Table of Contents

Related product manuals