EasyManua.ls Logo

Sungrow SP600S - Product Introduction; Symbol Descriptions

Sungrow SP600S
37 pages
Print Icon
To Next Page IconTo Next Page
To Next Page IconTo Next Page
To Previous Page IconTo Previous Page
To Previous Page IconTo Previous Page
Loading...
7
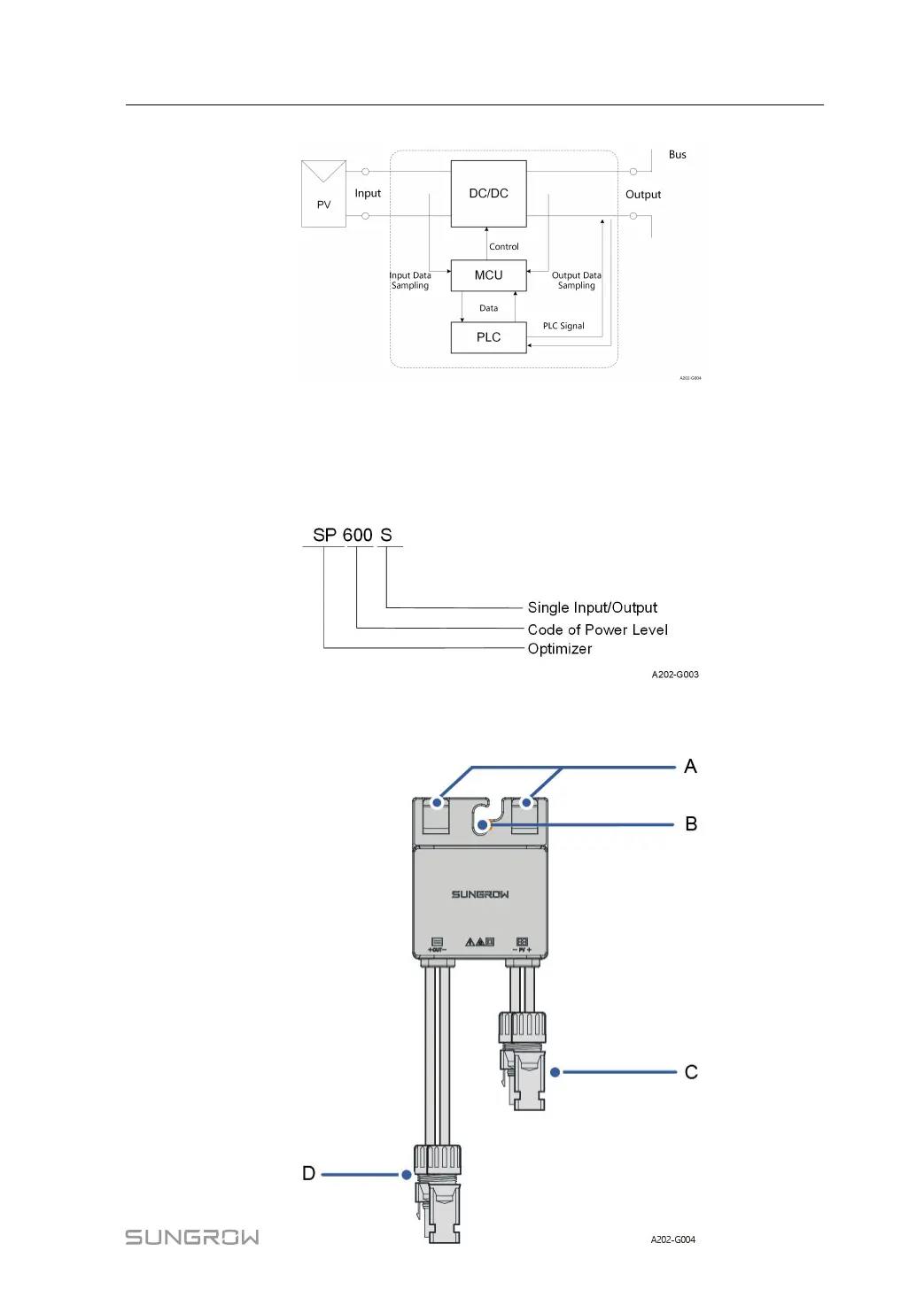
figure 2-3 Working Principle
2.3 Product Introduction
Model Description
figure 2-4 Model Description
Product Appearance
(A) Clips (B) Bolt hole (C) Input terminals (D) Output terminals
figure 2-5 Product Appearance
* The image shown here is for reference only. The actual product received may differ.
User Manual 2 Product Description

Related product manuals