EasyManua.ls Logo

Sunrain YC-007 - Page 16

Sunrain YC-007
32 pages
Print Icon
To Next Page IconTo Next Page
To Next Page IconTo Next Page
To Previous Page IconTo Previous Page
To Previous Page IconTo Previous Page
Loading...
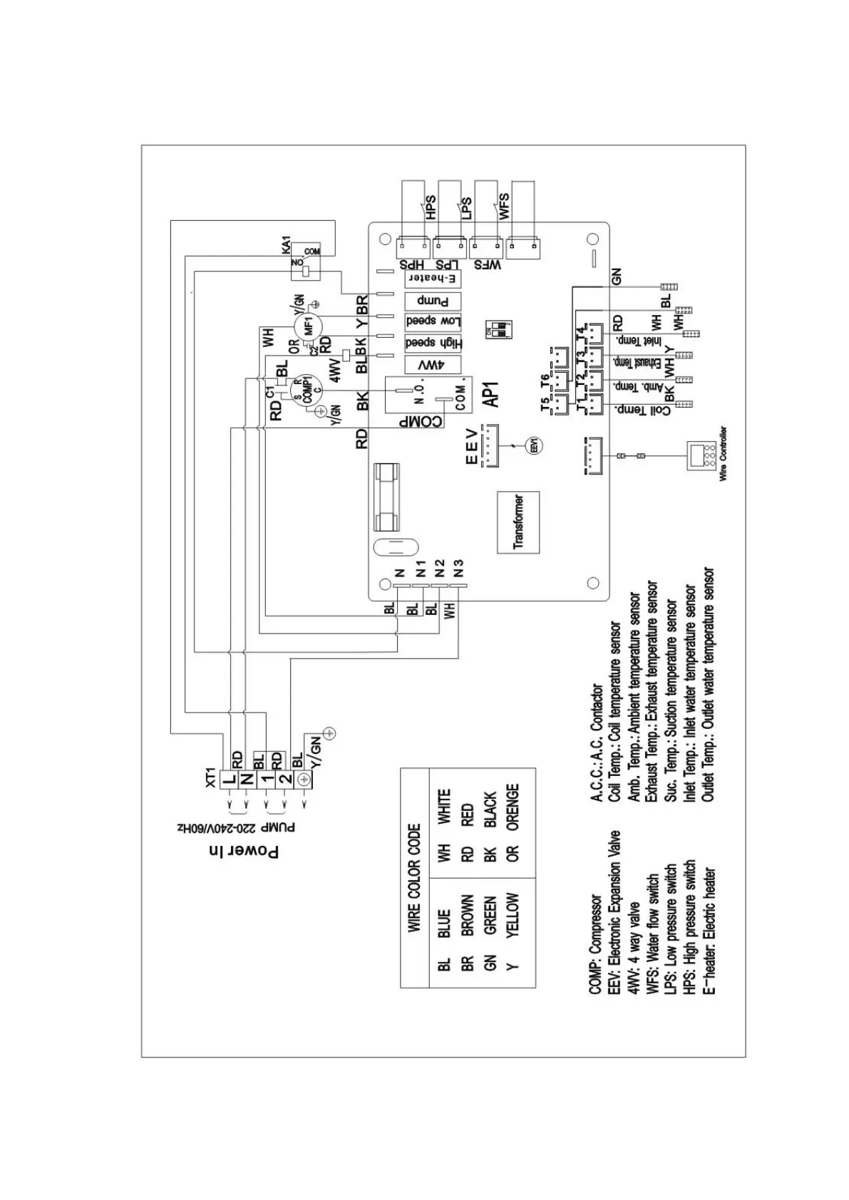
7.4 Electric wiring diagram
Figure 17

Related product manuals