EasyManua.ls Logo

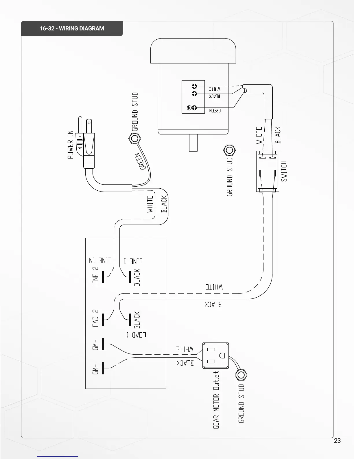
SuperMax 16-32 - 16-32 - Wiring Diagram

SuperMax 16-32
30 pages
Print Icon
To Next Page IconTo Next Page
To Next Page IconTo Next Page
To Previous Page IconTo Previous Page
To Previous Page IconTo Previous Page
Loading...
23
16-32 - WIRING DIAGRAM

Related product manuals