EasyManua.ls Logo

swaploader SL-212 - Page 74

Default Icon
88 pages
Print Icon
To Next Page IconTo Next Page
To Next Page IconTo Next Page
To Previous Page IconTo Previous Page
To Previous Page IconTo Previous Page
Loading...
Section V: Parts
5.0.PAR.SL
-
212
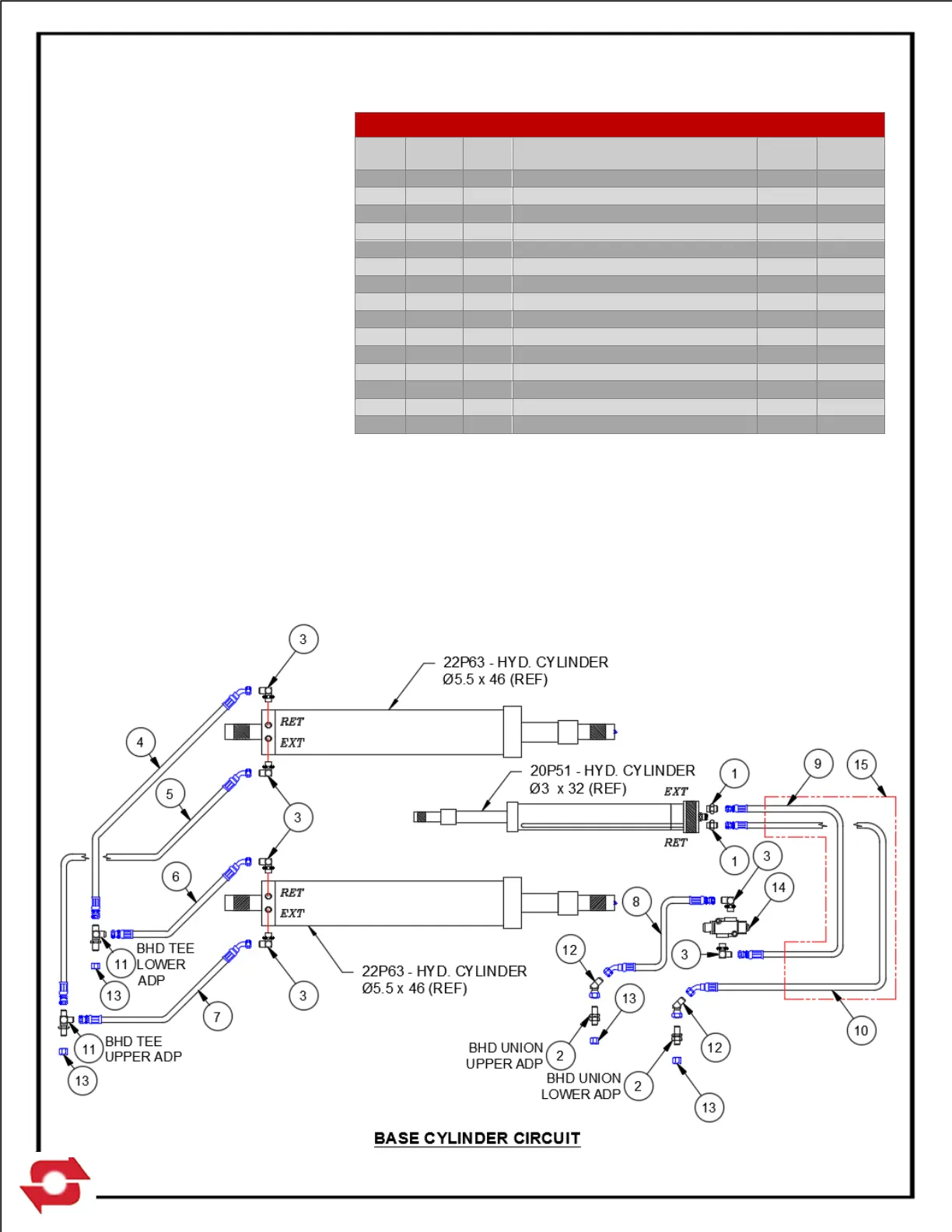
90H89 – BASE CYLINDER CIRCUIT SL-212
ITEM
PART
#
QTY DESCRIPTION
WT-
lb/ea.
WT-
lb/all
1 10P39 2
Adp Hyd 08MJ/08MB
0.10 .020
2 10P43 2
Adp Hyd 08MJ/08MJ BHD
0.30 0.60
3 11P23 6
Adp Hyd 08MJ/08MB 90
0.30 1.80
4 12P51 1
Hose Assy 42 08-08FJ/08FJ45
2.05 2.05
5 12P52 1 Hose Assy 38 08-08FJ/08FJ45 1.90 1.90
6 12P53 1
Hose Assy 21 08-08FJ/08FJ45
1.26 1.26
7 12P54 1
Hose Assy 17 08-08FJ/08FJ45
1.11 1.11
8 12P55 1
Hose Assy 31 06-08FJ/08FJ45
1.46 1.46
9 12P56 1
Hose Assy 74 06-08FJ/08FJ
2.85 2.85
10 12P57 1
Hose Assy 105 06-08FJ/08FJ45
3.82 3.82
11 12P58 2
Adp Hyd 08MJ/08MJ/08MJ Tee
0.30 0.60
12 12P85 2
Adp Hyd 08FJ/08MJ 45
0.30 0.60
13 13P14 4
Adp Hyd MJIC Cap (-8)
0.07 0.28
14 21P28 1
Hyd Valve, 2-Way 16 GPM
2.20 2.20
15 90H74 1
Nylon Hose Sleeve x 60"
0.25 0.25
5-8

Related product manuals