EasyManua.ls Logo

Sycamore Ceiling fan - Wall Controller Installation Wiring Diagram

Sycamore Ceiling fan
44 pages
Print Icon
To Next Page IconTo Next Page
To Next Page IconTo Next Page
To Previous Page IconTo Previous Page
To Previous Page IconTo Previous Page
Loading...
IF THERE ARE ANY PROBLEMS DURING INSTALLATION OF THE FAN, THE INSTALLER MUST CONTACT THE
HUNTER PACIFIC INTERNATIONAL WARRANTY LINE . TEL: 1300 360 280BEFORE LEAVING THE WORK SITE
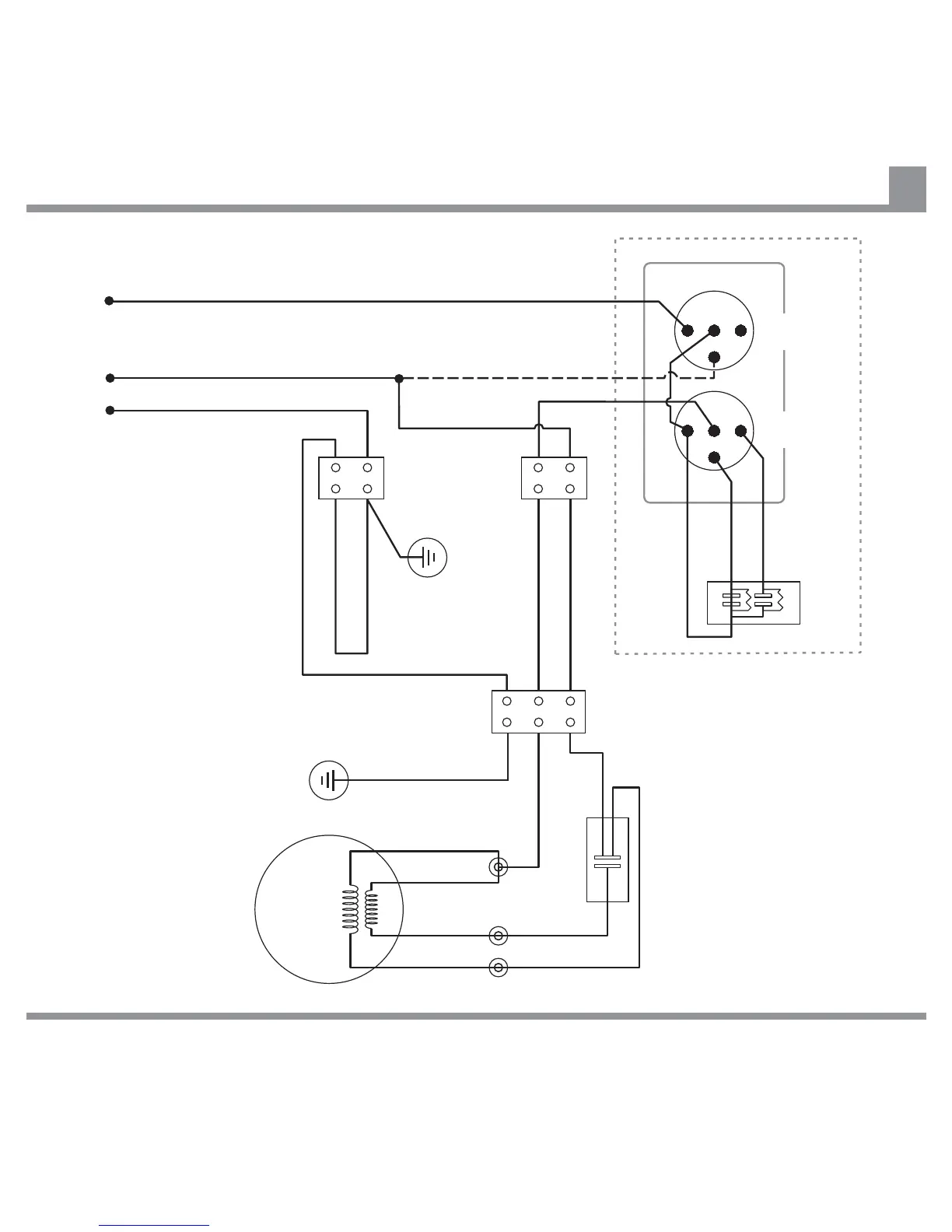
NEUTRAL from Main Supply
LIVE (Active) from Mains Supply
EARTH Conductor
E (Green/Yellow)
E (Green/Yellow)
E (Green/Yellow)
(Red)
(Blue)
(Orange)
C
3
1
2
C 2
1
Loop
L (Brown)
(Brown)
(Purple)
(Red)
N (Blue)
Capacitor
Capacitor
Hanger
Bracket
Earth
Chassis
Earth
Chassis
Terminal
Block
Fan
Motor
M
1~
Hanger Bracket
Terminal Blocks
NEUTRAL to Wall Switch not required
but may be present in some existing
installations.
ON / OFF
Switch
Rotary Speed
Switch
(Purple)
(Yellow)
(Red)
Wall Controller
Wall Plate
TO FAN N (Blue)
TO FAN L (Brown)
Wall Controller Installation Wiring Diagram
17