EasyManua.ls Logo

Sym JOYMAX 300i - Fuse

Sym JOYMAX 300i
275 pages
Print Icon
To Next Page IconTo Next Page
To Next Page IconTo Next Page
To Previous Page IconTo Previous Page
To Previous Page IconTo Previous Page
Loading...
17. Electrical System
17-5
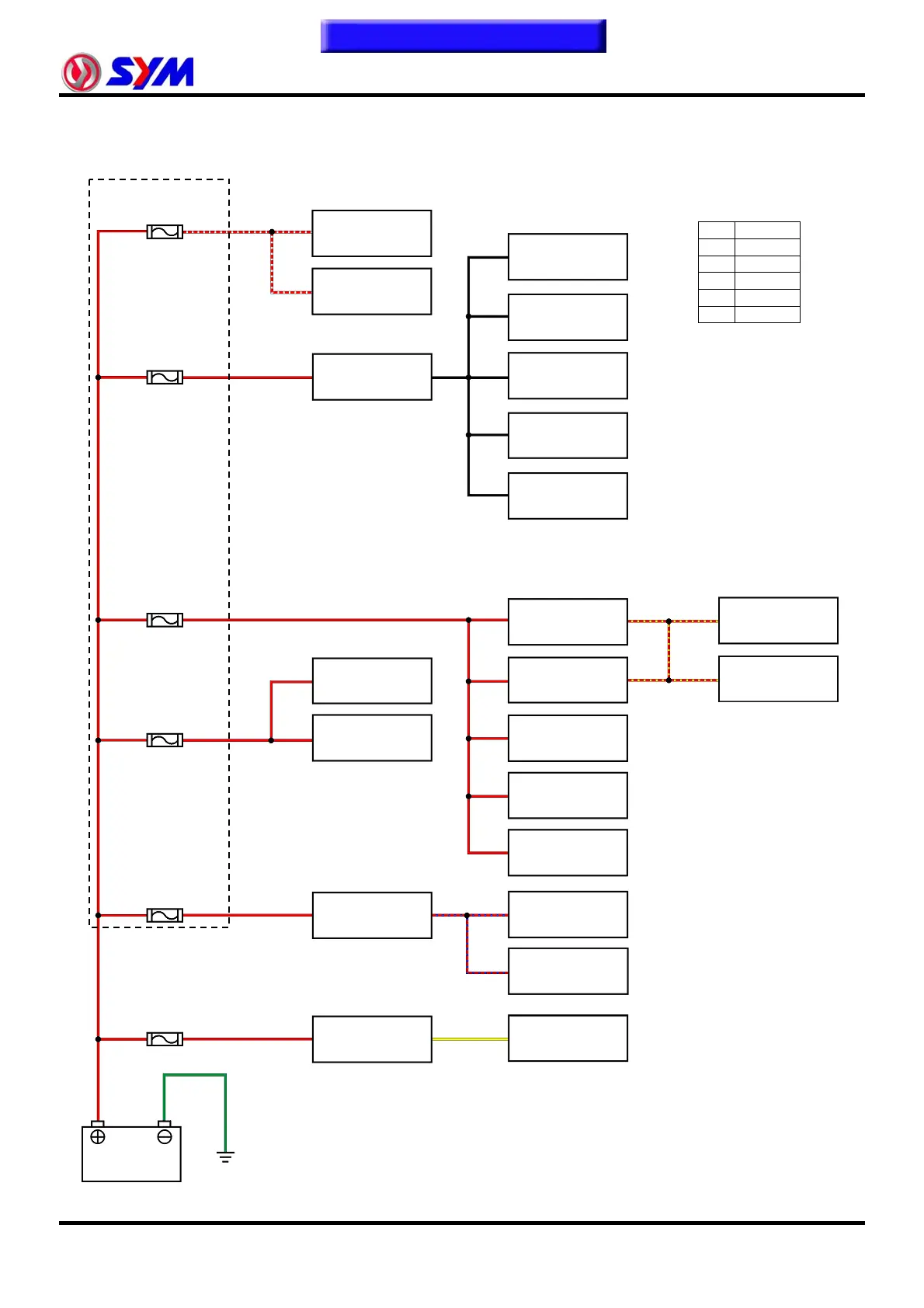
Fuse
Fuse circuit diagram
To this chapter contents
Fuel injection
system drives
ECU
Roll over sensor
O2 Sensor
heater
(Headlight)
Fuse 20A
Headlight
(Hi-beam)
Fuse box
Headlight
(Lo-beam)
R/W
Winker & hazard
control unit
Meter
Main switch
(Meter & Operate)
Fuse 15A
Key relay
REG. REC.
R B
Other switch
(Ignition)
Fuse 20A
R
Power relay
R/Y
(Luggage box
& Outlet)
Fuse 20A
Luggage box
light
Power outlet
R
Meter
Winker & hazard
control unit
(Foggy & Fan)
Fuse 15A
Foggy light
Cooling fan
Key relay
R
R/L
(Charge)
Fuse 30A
REG. REC. AC. Generator
R Y
Battery
R G
R Red
B Black
G Green
W White
L Blue
Y Yellow

Table of Contents

Related product manuals