EasyManua.ls Logo

Sym JOYMAX 300i - 19. Electrical Diagram

Sym JOYMAX 300i
275 pages
Print Icon
To Next Page IconTo Next Page
To Next Page IconTo Next Page
To Previous Page IconTo Previous Page
To Previous Page IconTo Previous Page
Loading...
19
. Electrical Diagram
19-1
Home page
Contents
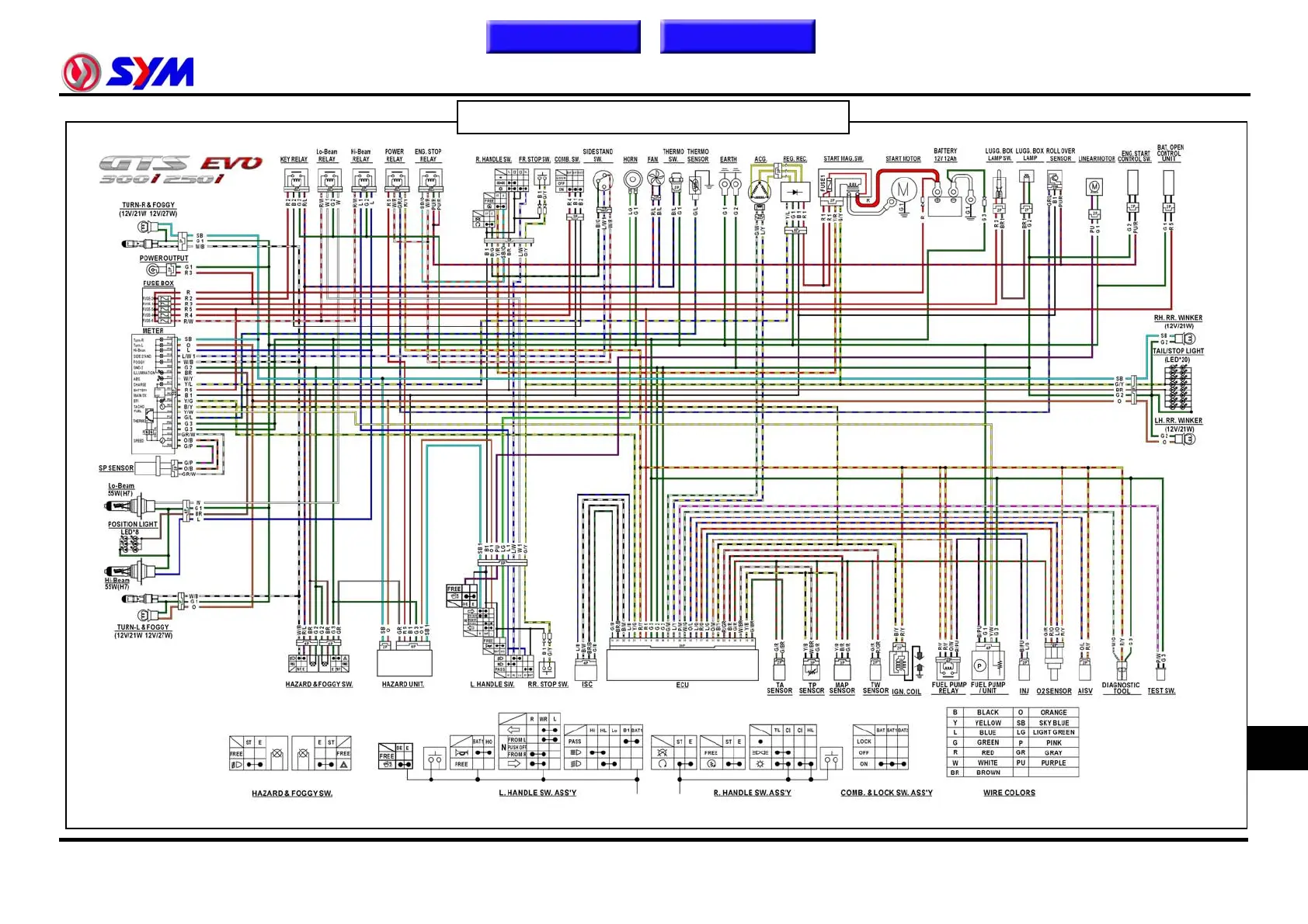
LM25W5 / LM30W Electrical Diagram
19

Table of Contents

Related product manuals