EasyManua.ls Logo

Symphonic SC724FDF - Page 41

Symphonic SC724FDF
89 pages
Print Icon
To Next Page IconTo Next Page
To Next Page IconTo Next Page
To Previous Page IconTo Previous Page
To Previous Page IconTo Previous Page
Loading...
1-10-9
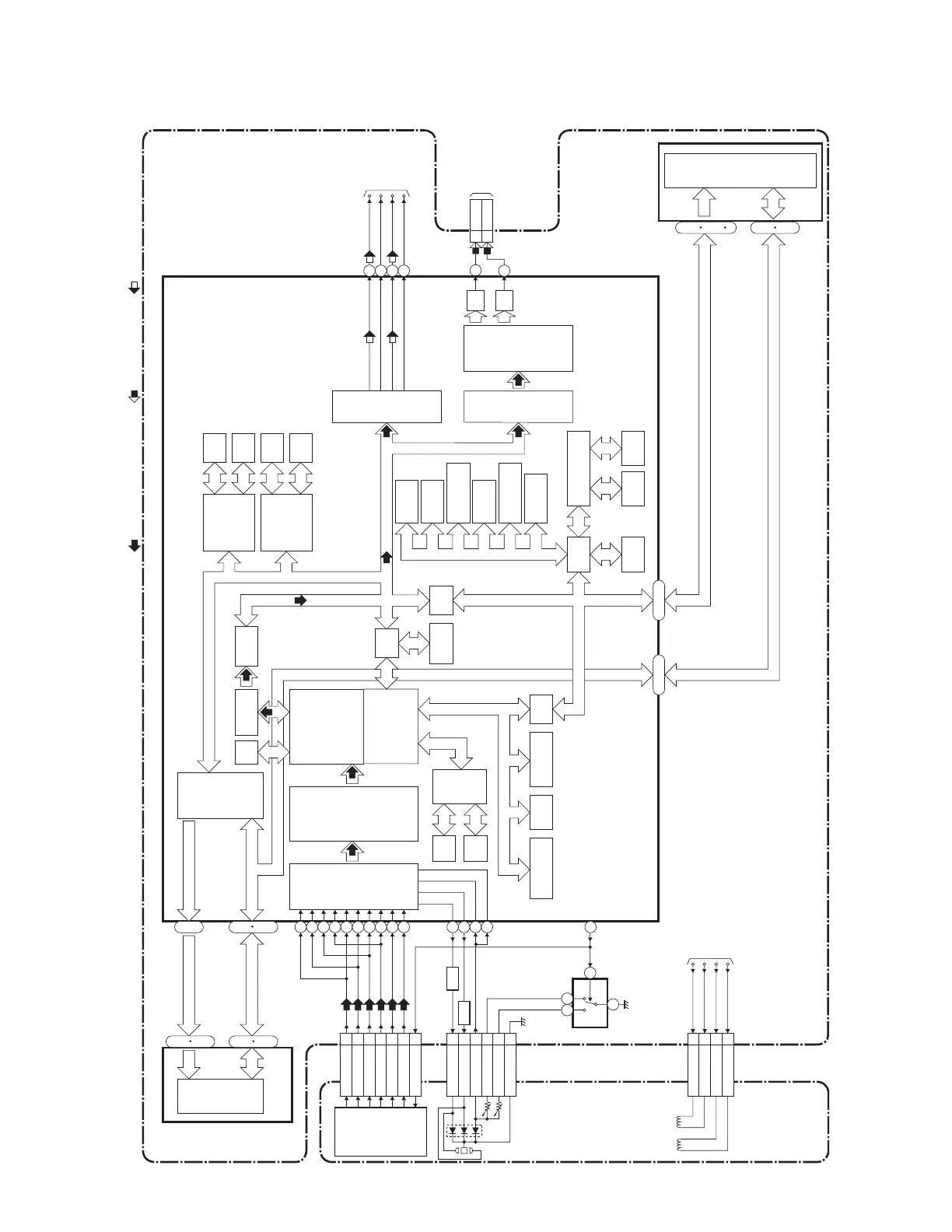
Digital Signal Process Block Diagram
T2127BLD
149
C16
D18
A17
B15
E14
F12
DVD-LD 8
CD-LD 10
PD-MONI 7
FS(+) 2
FS(-) 3
TS(+) 1
TS(-) 4
CN201
CN201
CN201
IC201
(SW)
IC501,IC502 (SDRAM) IC101 (MICRO CONTROLLER)
FS
FS(+)
CD/DVD
FS(-)
TS(+)
TS(-)
TS
PICK-UP
UNIT
DETECTOR
CD/DVD 19
Q251,Q252
CD DVD
AMP
Q253,Q254
AMP
4
1 3
6
GND(DVD-PD)
6
GND(CD-PD)
5
GND(LD)
9
TO DVD SYSTEM
CONTROL/SERVO
BLOCK DIAGRAM
RF
SIGNAL
PROCESS
CIRCUIT
DVD/CD
FORMATTER
AUDIO
I/F
VIDEO
I/F
NTSC/PAL
ENCODER
DMA
BCU
INST.
ROM
32BIT
CPU
DATA
RAM
INTERRUPT
CONTROLLER
WATCH DOG
TIMER
CPU
I/F
TIMER
DECODER
I/F
CPU
I/F
READ
MEMORY
DATA
RAM
DSP
DECODER
I/O
PROCESSOR
INST.
ROM
DATA
RAM
INST.
ROM
SERIAL
D/A
GENERAL
I/O
INTERRUPT
CONTROLLER
TIMER
WATCH DOG
TIMER
REMOTE
CONTROL
32BIT CPU
STREAM
I/F
EXTERNAL
MEMORY
I/F
SDRAM
ECC
UMAC
114
115
116
117
132
131
134
133
129
130
126
124
125
123
83
DEBUG
BCU
INST
RAM
DATA
RAM
D/A
TO
TV PROCESS
BLOCK
DIAGRAM
<TV/VCR
SECTION>
CN2
158
Y
C
CN2A
TO DVD
AUDIO
BLOCK
DIAGRAM
177
SPDIF
170
PCM-BCK
171
PCM-DATA
169
PCM-LRCLK
23~51
SDRAM DATA(0-15)
SDRAM ADDRESS(0-10)
SDRAM ADDRESS(0-10)
217
238
~
1
18
252
256
~~
2
12
39
49
~~
IC103 (FLASH ROM)
FLASH
ROM
29
36
38
45
~
~
DVD MAIN CBA UNIT
20
24
27
32
~~
FDQ (0-15)
~
1
9
16
25
48
~
192~212
FADR (0-19)
SDRAM DATA(0-15)
1 DVD-Y
3 DVD-C
DATA(VIDEO/AUDIO) SIGNAL DVD VIDEO SIGNAL
DATA(AUDIO) SIGNAL

Related product manuals