EasyManua.ls Logo

Symphonic SC724FDF - Page 42

Symphonic SC724FDF
89 pages
Print Icon
To Next Page IconTo Next Page
To Next Page IconTo Next Page
To Previous Page IconTo Previous Page
To Previous Page IconTo Previous Page
Loading...
1-10-10
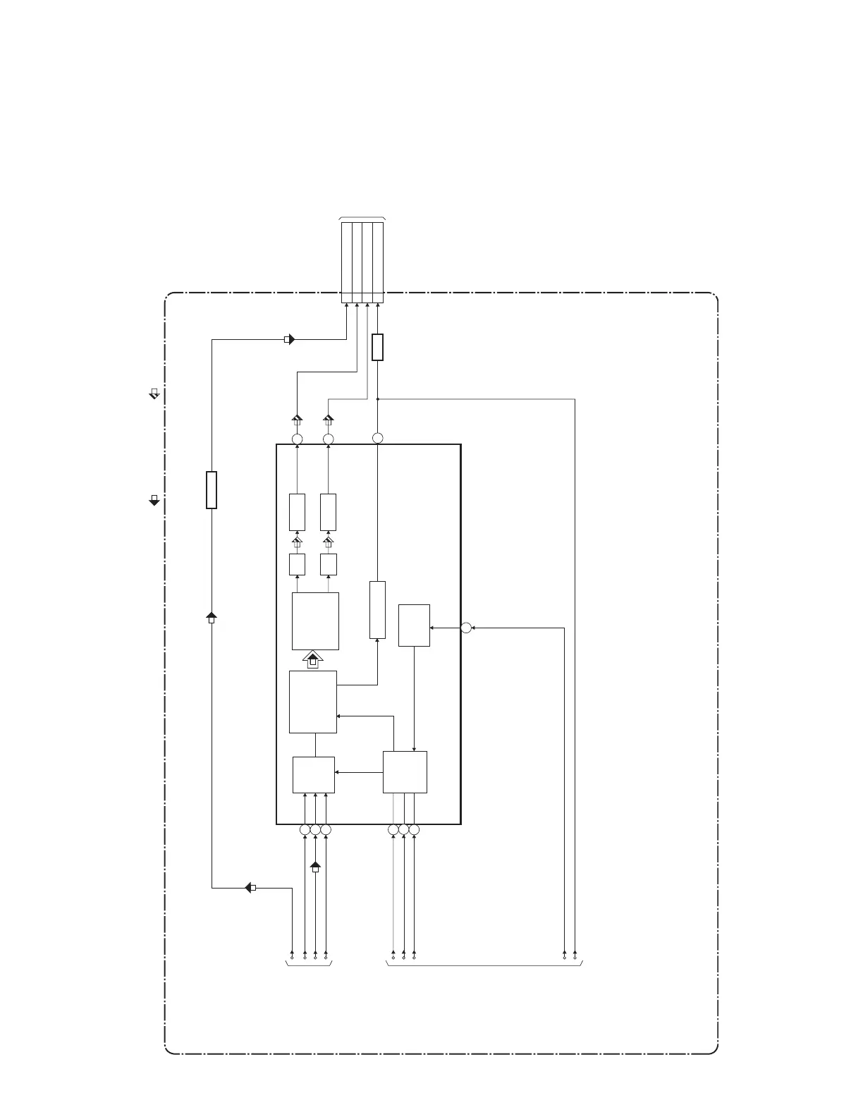
DVD Audio Block Diagram
T2127BLAD
IC601
(AUDIO D/A CONVERTER)
15
14
CN2A
7
6
8
4
3
2
5
TO DVD
SYSTEM
CONTROL
/SERVO
BLOCK
DIAGRAM
TO DIGITAL
SIGNAL
PROCESS
BLOCK
DIAGRAM
AUDIO
SERIAL
PORT
SERIAL
CONTROL
PORT
4X/8X
OVERSAMPLING
DIGITAL FILTER
/FUNCTION
CONTROLLER
ENHANCED
MULTI-LEVEL
DELTA-SIGMA
MODULATOR
DAC
LPF+AMP
L-CH
R-CH
LPF+AMP
DAC
PCM-BCK
SPDIF
PCM-DATA
PCM-LRCLK
ADAC-MD
ADAC-MC
ADAC-ML
PCM-SCLK
DVD MAIN CBA UNIT
AUDIO-MUTE
TO AUDIO
BLOCK DIAGRAM
<TV/VCR SECTION>
CN2
DATA(AUDIO) SIGNAL
DVD AUDIO SIGNAL
9 SPDIF
6 DVD-AUDIO(L)
7 DVD-AUDIO(R)
5
DVD-AUDIO-MUTE
SYSTEM
CLOCK
MANAGER
ZERO DETECT
16
Q004
BUFFER
Q005
AMP

Related product manuals