EasyManua.ls Logo

SystemAir PAW-250W5APAC

SystemAir PAW-250W5APAC
44 pages
To Next Page IconTo Next Page
To Next Page IconTo Next Page
To Previous Page IconTo Previous Page
To Previous Page IconTo Previous Page
Loading...
22
6 - Control
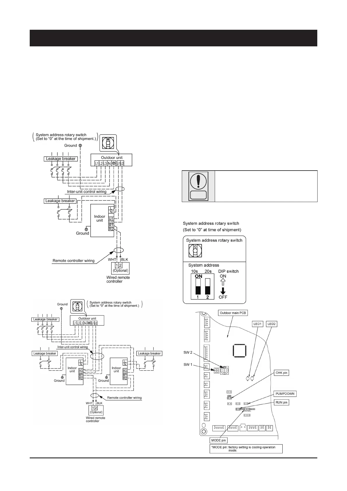
6.1 System Control
System control refers to the link wiring connection for control of
simultaneous-operation multi systems, group control, and main-sub
remote controller control.
Basic wiring diagram
Be careful to avoid miswiring when connecting the wires. (Miswiring
will damage the units.)(for 3-phase Outdoor unit)
Example of SINGLE type
Example of TWIN type
Wiring procedure:
1. Connect the remote controller to the indoor unit remote controller
wiring terminal plate (R1, R2). (Remote controller wiring)
2. Connect the indoor units (U1, U2) and the outdoor units (U1, U2).
Connect the other outdoor units and indoor units (with different
refrigerant systems) in the same way. (Inter-unit control wiring)
Connect the remote controller communication wiring to the
indoor units (R1, R2) for each refrigerant system. (Remote
controller wiring)
3. Connect the remote controller communication wiring (2
wires) from the remote controller wiring terminal plate
(R1, R2) on the indoor unit (unit where the remote controller
is connected) to the remote controller terminal plates (R1, R2)
on the other indoor units. (Remote controller communication
wiring)
4. Turn ON both the indoor and outdoor unit power and perform
automatic address setting from the remote controller.
NOTE
Be sure to use the indoor unit temperature
sensor (body sensor) when using this control.
(Status at shipment.)
Setting the Outdoor unit system addresses

Related product manuals