EasyManua.ls Logo

Taco VR30 - Mode 2: Analog Control Operation

Default Icon
56 pages
Print Icon
To Next Page IconTo Next Page
To Next Page IconTo Next Page
To Previous Page IconTo Previous Page
To Previous Page IconTo Previous Page
Loading...
-27-
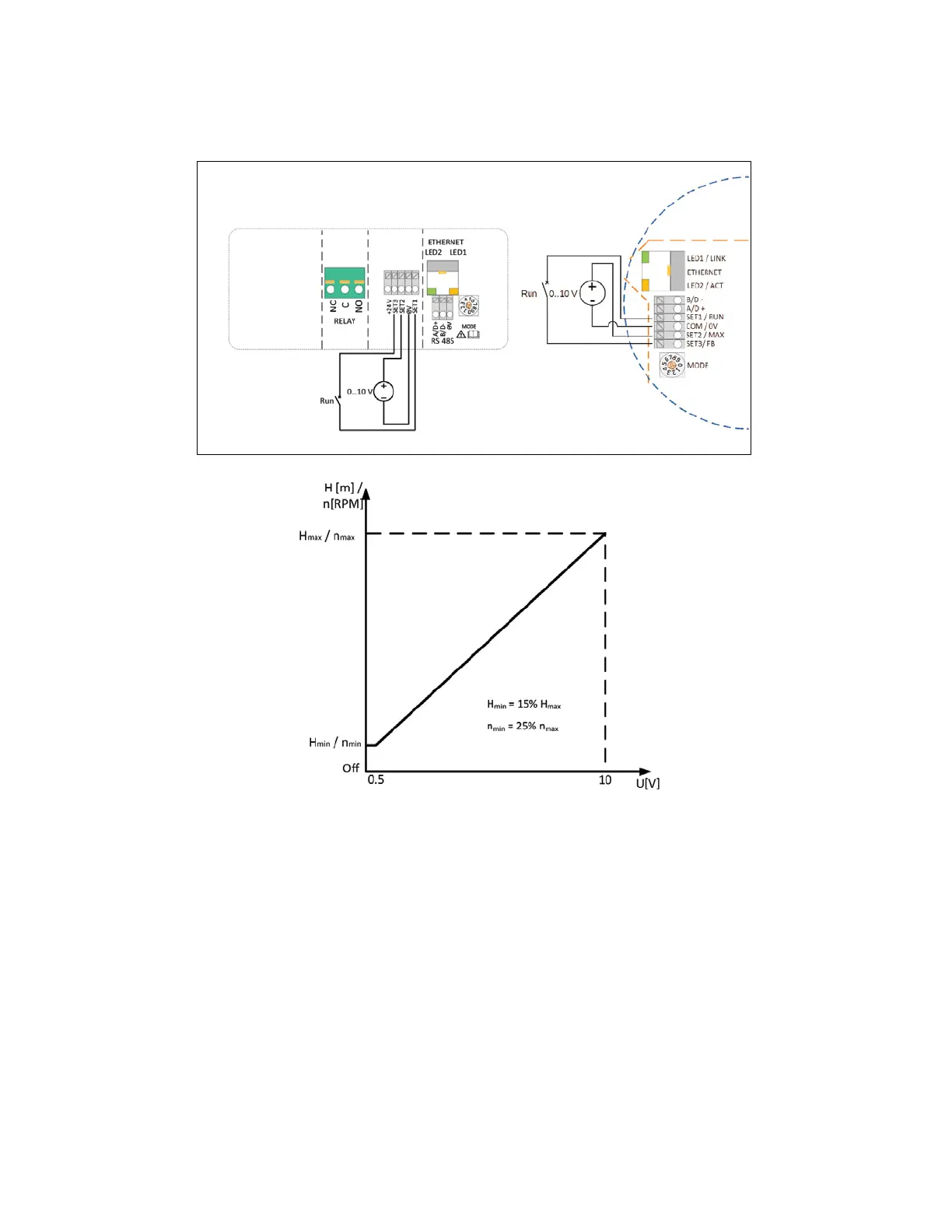
14.5 MODE 2 – Digital switched enable / disable, external analogue 0-10Vdc speed or head control
Application:
Using an external 0-10Vdc signal to control the speed or head of the pump and a separate signal to
enable/disable the motor. Pump starts on low speed or head.
Sequence of Operation:
• Set 3 and Set 1 Open – Pump in Standby (VFD powered, motor is o, no ow), regardless of 0-10Vdc signal
• Set 3 and Set 1 Closed – increasing 0-10Vdc signal
- 0 to 0.5 V pump runs at min speed (25% of max speed) or min head (15% of max head)
NOTE: Min speed user adjustable to meet min ow requirements
- 0.5 to 10 V speed increases linearly to V
Set 3 and Set 1 Closed – decreasing of 0-10Vdc signal
- 10 to 0.5 V speed decreases linearly to V
- 0.5 to 0 V pump runs at med speed (Standby when Set 3 and Set 1 open)
Summary:
• Enable / disable separate signal from 0-10Vdc
- Mode 1 – Pump starts and stops on medium speed (or head)
- Mode 2 – Pump starts and stops on low speed (or head), adjustable
• Enable / disable and 0-10Vdc external control the same signal
- Mode 1 – Pump starts and stops on minimum speed (or head)

Table of Contents

Other manuals for Taco VR30

Related product manuals