EasyManua.ls Logo

Taco VR30 - Page 29

Default Icon
56 pages
Print Icon
To Next Page IconTo Next Page
To Next Page IconTo Next Page
To Previous Page IconTo Previous Page
To Previous Page IconTo Previous Page
Loading...
-29-
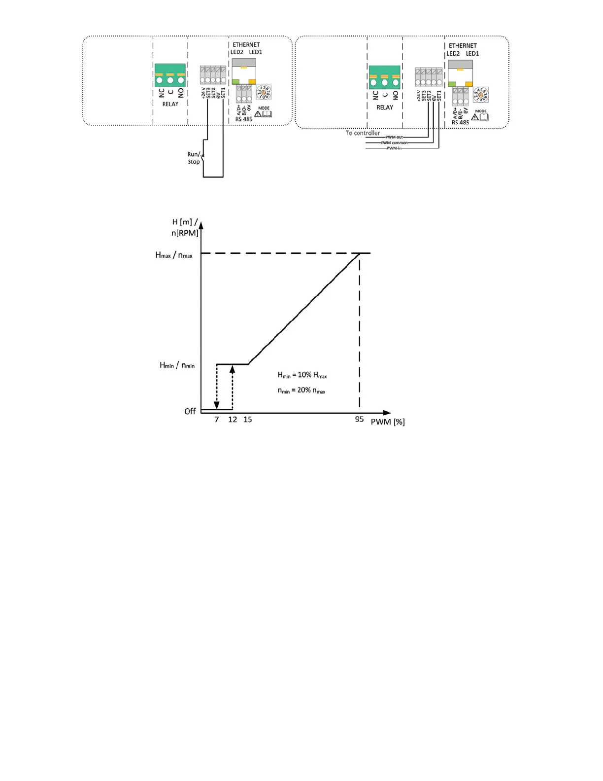
Sequence of Operation:
• Set 3 and Set 1 Open – Pump in Standby (VFD powered, motor is o, no ow), regardless of PWM signal
• Set 3 and Set 1 Closed – increasing PWM signal
- 0 to 12% pump standby
- 12% to 15% pump runs at min speed (20% of max speed) or min head (10% of max head)
NOTE: Min speed user adjustable to meet min ow requirements at 3 V)
- 15% to 95% speed (or head) increases linearly with % change
• Set 3 and Set 1 Closed – decreasing PWM signal
- 95% to 15% - speed decreases linearly with % change
- 15% to 7% - pump runs on min speed
- 7% to 0 - pump standby
MODE 3 – PWM Solar

Table of Contents

Other manuals for Taco VR30

Related product manuals