EasyManua.ls Logo

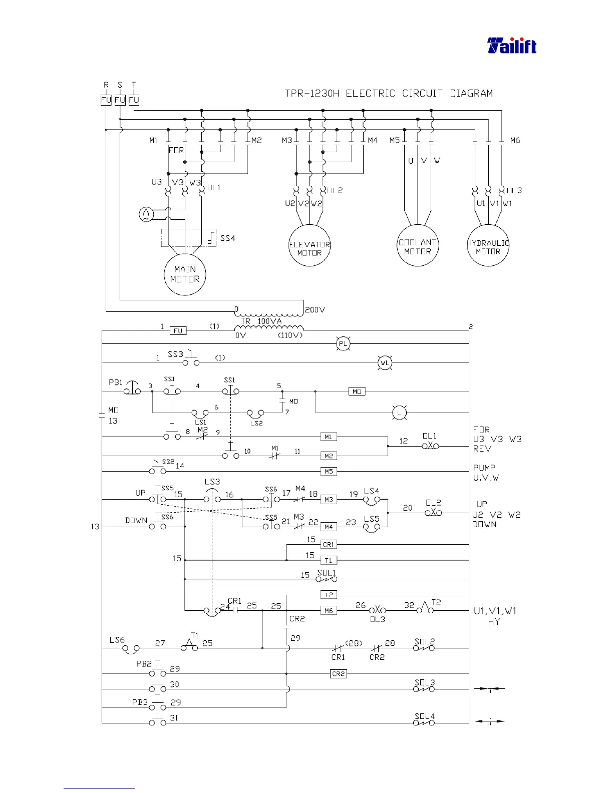
Tailift TPR1230 - Electrical Circuit Diagram (for TPR-1230 H Standard)

Tailift TPR1230
99 pages
Print Icon
To Next Page IconTo Next Page
To Next Page IconTo Next Page
To Previous Page IconTo Previous Page
To Previous Page IconTo Previous Page
Loading...
9-14
9.10 Electrical circuit diagram (For TPR-1230H Standard)

Table of Contents

Related product manuals