EasyManua.ls Logo

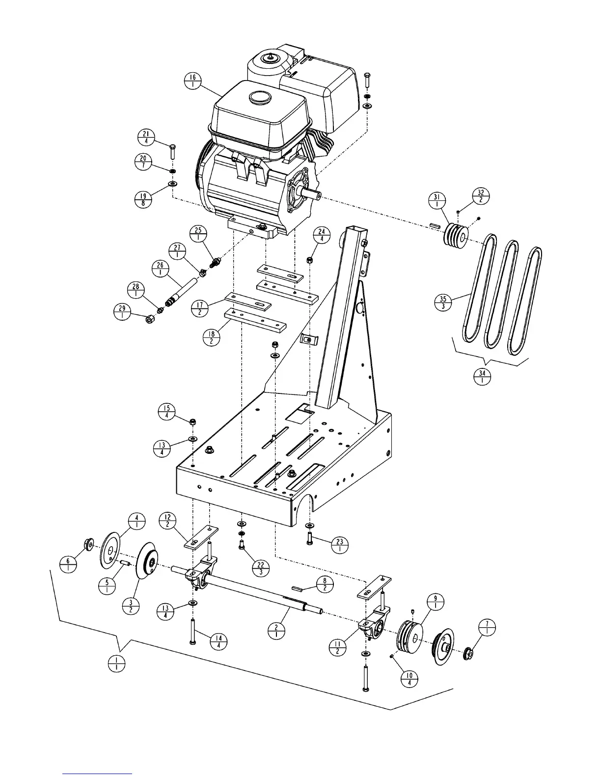
Target MC18 - Diagram 7 - Engine & Bladeshaft; Engine and Bladeshaft Components Identification

Target MC18
40 pages
Print Icon
To Next Page IconTo Next Page
To Next Page IconTo Next Page
To Previous Page IconTo Previous Page
To Previous Page IconTo Previous Page
Loading...
32
Diagram 7 – Engine & Bladeshaft

Related product manuals