EasyManua.ls Logo

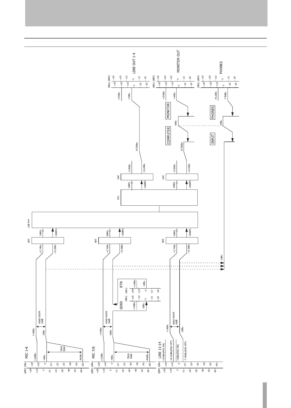
Tascam US-2000 - Input;Output Level Diagram

Tascam US-2000
24 pages
Print Icon
To Next Page IconTo Next Page
To Next Page IconTo Next Page
To Previous Page IconTo Previous Page
To Previous Page IconTo Previous Page
Loading...
TASCAM US-2000
23
Level diagram
8 – Specifications

Related product manuals