EasyManua.ls Logo

Tascam US-366 - Audio Flow Diagrams

Tascam US-366
35 pages
Print Icon
To Next Page IconTo Next Page
To Next Page IconTo Next Page
To Previous Page IconTo Previous Page
To Previous Page IconTo Previous Page
Loading...
32
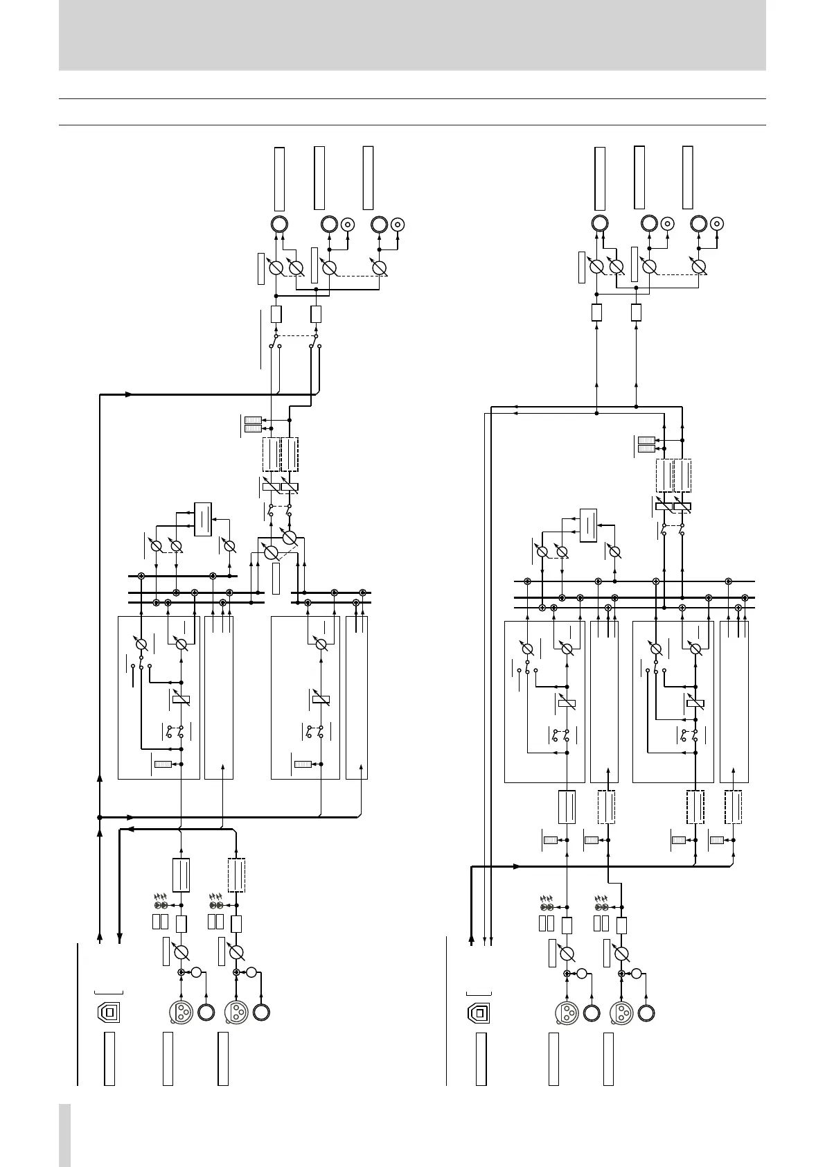
TASCAM US-322/366
8 – Specifications
Audio flow diagrams


































































































































































Table of Contents

Related product manuals