EasyManua.ls Logo

TCL TAC-12CHSA - Wiring Diagram - Indoor Unit (TAC-24 CHSA;M)

TCL TAC-12CHSA
36 pages
Print Icon
To Next Page IconTo Next Page
To Next Page IconTo Next Page
To Previous Page IconTo Previous Page
To Previous Page IconTo Previous Page
Loading...
TCL Air Conditioner Service Manual
20
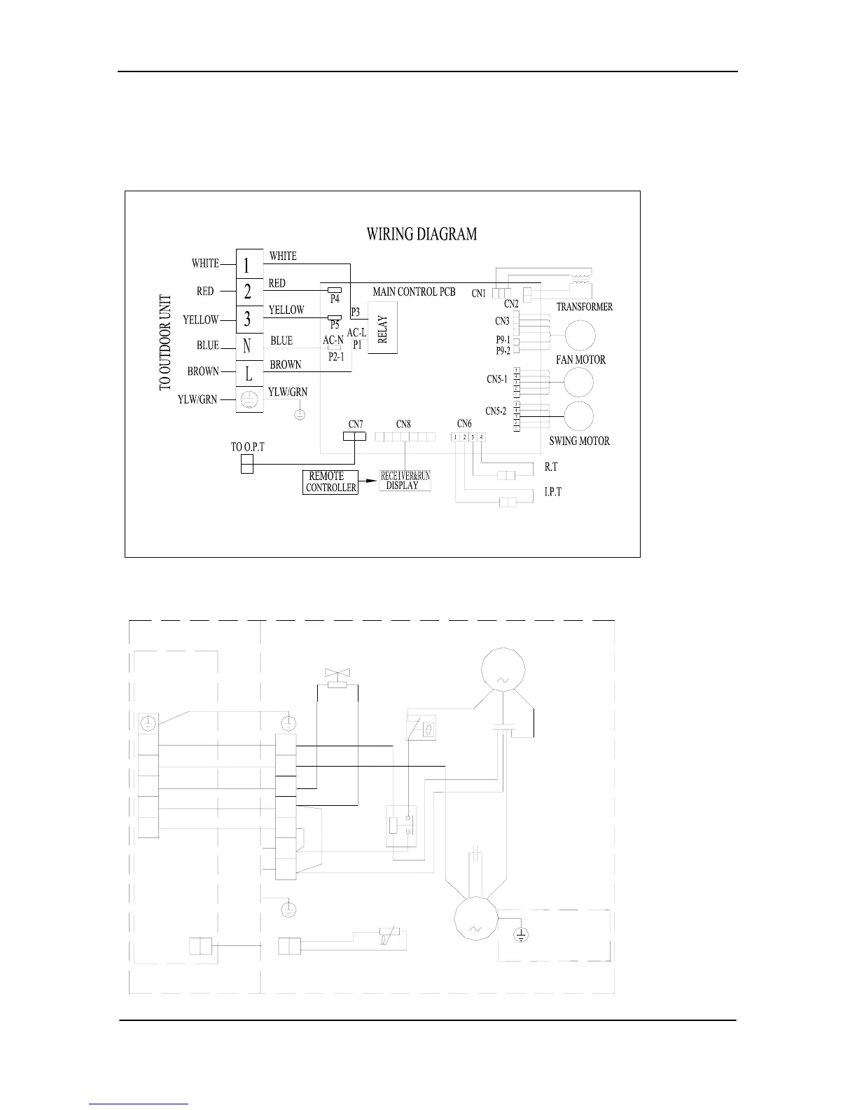
WIRING DIAGRAM
MODEL:TAC-24CHSA/M
INDOOR UNIT:
SM
FM
SM
OUTDOOR UNIT
Compressor
White(Black)
CM
C
R(M)
S
Blue
Red
Compressor
Capacitor
Fan
Yellow
YLW/GRN
Optional Part
Fan Motor
FM
Protector
White
Brown
Contactor
Power Supply
Outdoor Unit
Indoor Unit
Red
Blue
Blue
Blue
Yellow
Capacitor
YLW/GRN
YLW/GRN
White
Red
Blue
Blue
Blue
Brown
Blue
Red
White
Vane
1
2
3
N
L
O.P.T
L
N
L
N
3
2
1

Related product manuals