EasyManua.ls Logo

TDK-Lambda GENESYS GEN 5kW Series - Chapter 6 Remote Analog Programming; Introduction to Remote Analog Programming; Local;Remote Analog Control Selection; Local;Remote Analog Indication

TDK-Lambda GENESYS GEN 5kW Series
82 pages
Print Icon
To Next Page IconTo Next Page
To Next Page IconTo Next Page
To Previous Page IconTo Previous Page
To Previous Page IconTo Previous Page
Loading...
43
43
+V
-V
+V
-V
+S
+LS
-S -LS
+S
+LS
-S -LS
MASTER
POWER SUPPLY
SLAVE#1
POWER SUPPLY
J1-25
J1-12 COM
J1-10
J1-23
P
IPGM
IPGM_RTN
To J1-23
SLAVE#2
POWER SUPPLY
To J1-10
SLAVE#2
POWER SUPPLY
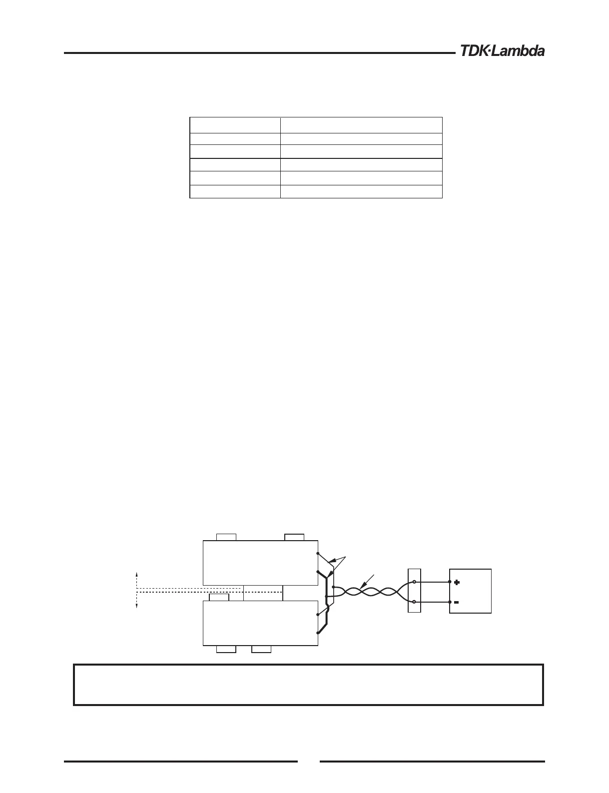
Fig.5-4: Parallel connection
with local sensing
+
-
LOAD
As short as possible
Twisted
pair
J1-8
J1-12
CAUTION
Make sure that the connection between -Vo terminals is reliable to avoid disconnection during
operation. Disconnection may cause damage to the power supply.
2. Setting the unitsasMaster or Slave
3. Master and Slave units default operation
4. CURRENT display accuracy
5. To release units from Slave mode
a) Depress and hold the FINE button for3seconds. The Master/Slave configuration will be
displayed on the Current Display.Rotate the CURRENT encoder to obtain the desired mode.
Refer to Table 5-4 for the CURRENT display and modes of operation.
b) When the desired configuration is obtained, depress and release the FINE button or wait
approx. 5 seconds.
a) When a unit is programmedto Slave mode it enters the Remote mode with Local Lockout. In
this mode, the front panel controls are disabled to prevent accidental setting change (refer to Sec.
7.2.7 for details).
b) The Slave unitsparameters will automatically set the following:
*Output voltage to approximate. 102% of rated output voltage.
*ProgrammedCurrent to zero.
*UVL to zero volts
*OVP to itsmaximum value
c) The Master and Slave modes are stored in the power supply EEPROM when the AC power is
Turned off. The system will return to the Master/Slave mode upon re-application of AC power.
In the advanced parallel mode, the total current is programmed and reported by the Master.In
this method, the CURRENT display accuracy is 2%+/- 1 count. In cases that higher accuracy is
required, it is recommended to use the basic parallel operation mode.
Slave units can be released using the following procedure:
a) Depress FINE button for3seconds. The Master/Slave configuration will be displayed on the
CURRENT display.
b) Select H1 mode using the CURRENT encoder.
c) Depress FINE button again or wait 5 seconds.
d) Turn the AC power Offto store the new setting.
e) After exiting from Slave operation the unit’s parameters will be set to:
CURRENT Display
H1
H2
H3
H4
S
Operating Mode
Single supply(default)
Master supplywith1Slave supply
Master supplywith2Slave supplies
Master supplywith3Slave supplies
Slave supply
Table 5-4: Setting mode of operation
*AST On
*OUT On
*Foldback protection Off
*Programmed Voltage to zero *AST OFF
*Programmed Current to zero *OUT OFF
*UVL to zero volts *Foldback protection OFF
*OVP to its maximum value *Locked Front Panel

Table of Contents

Related product manuals