EasyManua.ls Logo

Teac A-3300SX - Simplified Schematic with Level Indications

Teac A-3300SX
59 pages
Print Icon
To Next Page IconTo Next Page
To Next Page IconTo Next Page
To Previous Page IconTo Previous Page
To Previous Page IconTo Previous Page
Loading...
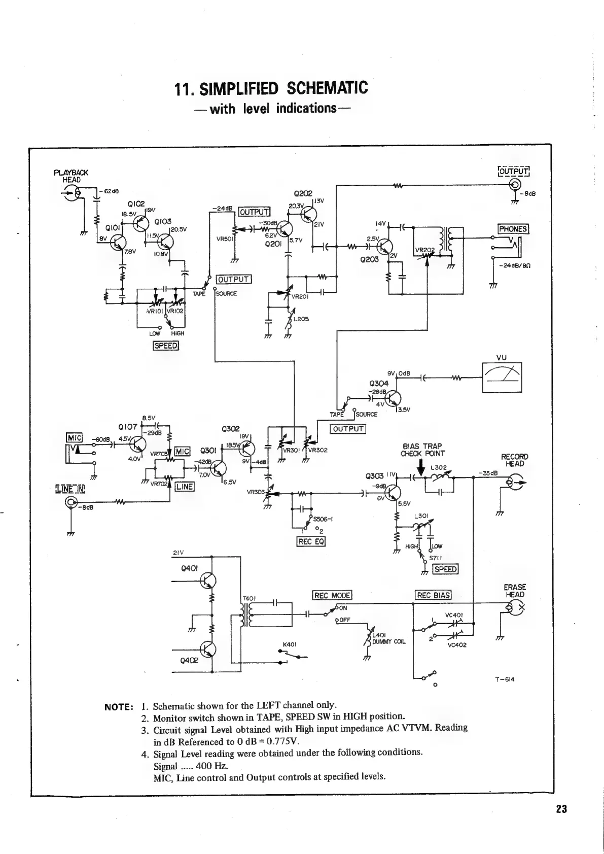
11.
SIMPLIFIED
SCHEMATIC
—with
level
indications
-24dB/80
LOW
HIGH
BIAS
TRAP
CHECK
POINT
S506-I
T
%%
REC
EQ
REC
BIAS
L40i
OUMMY
COIL
.
Schematic
shown
for
the
LEFT
channel
only.
2.
Monitor
switch
shown
in
TAPE,
SPEED
SW
in
HIGH
position.
.
Cixcuit
signal
Level
obtained
with
High
input
impedance
AC
VTVM.
Reading
in
dB
Referenced
to
0
dB
=
0.775V.
.
Signal
Level
reading
were
obtained
under
the
following
conditions.
Signal
400
Hz.
MIC,
Line
control
and
Output
controls
at
specified
levels.

Other manuals for Teac A-3300SX

Related product manuals