EasyManua.ls Logo

Teac A-3300SX - Page 56

Teac A-3300SX
59 pages
Print Icon
To Next Page IconTo Next Page
To Next Page IconTo Next Page
To Previous Page IconTo Previous Page
To Previous Page IconTo Previous Page
Loading...
SPEED)
LOW
HIGH
Yswso2
=i
BLAYBACK.
MIC
eae
RUS
°
12k
clio
|
4
c108
470P
+c!05
ena
clol
1O/16V(T)
PLAYBACK
+
HEAD
R135
|
vpio3
|
vrios
Crm
On
oO
aA
ini
k
a)!
UN/OUT(DIN)
Soe
eS
ee
ee
{
Gwe
on!
(LINE
IN;
.
R501
Lert
(CR
Fin
>
LO
J5010
1
7
|
l
4
|
ry
|
-6208
LINE
LEFT
,
$R503
4.7k
MIC
O
504
47k
|
O
|
c—D
©)
RIGHT
|
|
I
C135
G
|
R148
Q108
:
R153
RI50
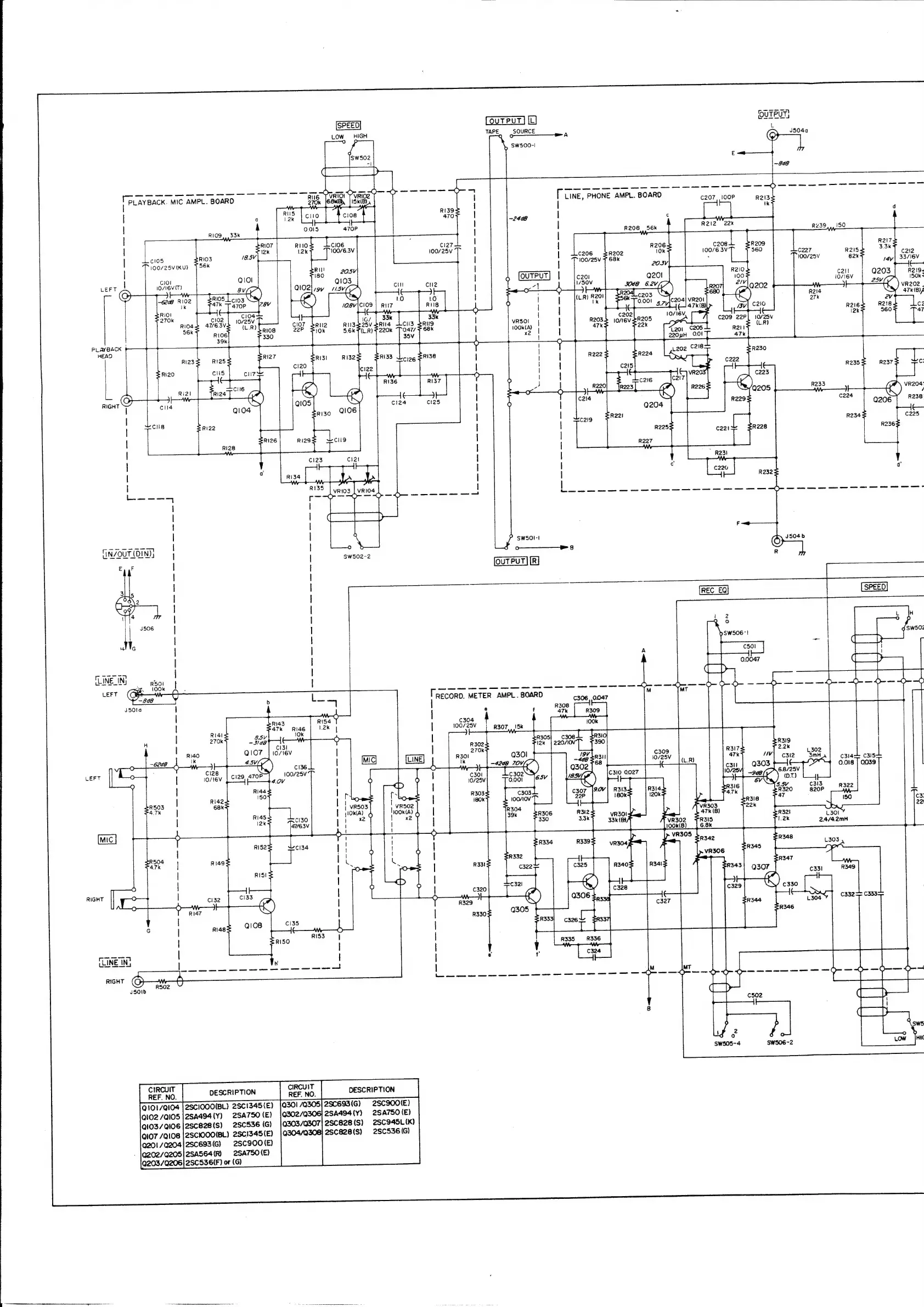
2SC9O0(E)
2SCIOOOIBL)
2$C1345(E)
2SA750
(E)
2SA750
(E)
2SC536
(G)
2SC945L
(kK)
2SC536
(G)
28C900
(E)
Q202/0205|2SA564(R)
2SA750(E)
1Q203/0206]
2SC536(F)
or
(G)
nes
ii
——_——
ee
ee
ae
Oe
ee
OO
©
aiensineiiendnan
QO
=“
R
101
7
VRIO2
AMPL.
BOARD
BUG
leaues,
|iSkicn
CouTPuT]
TAPE
SOURCE
QQ
oO
A
eo
J504a
,
SWS500-I
-808
Tine,
PHONE
AMPL.
BOARD
207.
100P
are
R139
Ik
470
R239
C227
100/25V
OUTPUT
2]
i
R2I4
27k
C202
lon6v
¢R205
22k
R233
150
R215
82k
Cail
(O/16V
R216
12k
Q203
R219
150k<
VR202
.
QS
47x18)
Y
R218
Cz
560
47
Co
LN
ee
ee
a
ee
a
errr
reese
swsol-l
J
o>
8
fourPuT|
[R]
J504b
70
bsws06-!
A
C501
|
|
00047
=
SECORD.
ME
--~-----*
Q
O
O— —O
T
RECORD.
METER
AMPL.
BOARD
7
MT
een
SPEED
lal
d
Sw50z
az
1
1
(ap
ras

Other manuals for Teac A-3300SX

Related product manuals