EasyManua.ls Logo

Teac A-3440 - Page 56

Teac A-3440
59 pages
Print Icon
To Next Page IconTo Next Page
To Next Page IconTo Next Page
To Previous Page IconTo Previous Page
To Previous Page IconTo Previous Page
Loading...
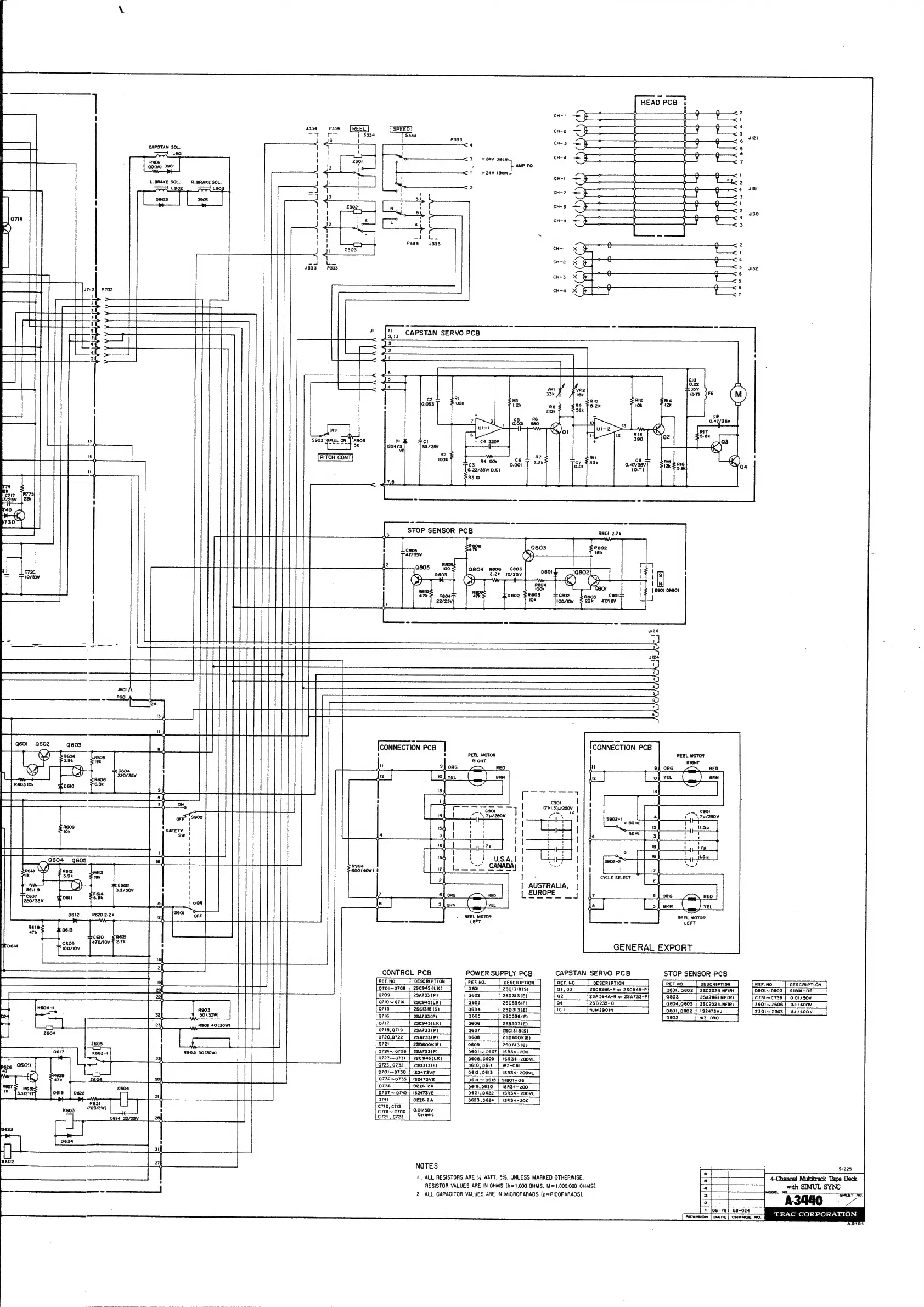
HEAD
pcs
|
CH=!
'
J334—
P334
REEL
[SPEED]
cH-2
1
1
=
$334 $333
i
Ke
1
P333
slat
4
CH-3
CAPSTAN
SOL.
~~
_.s0t
3
+26V
38cm.
Choa
.
}
AMP
EQ
1
+24V
19¢m
N@QUauUa-N
CH=
L.BRAKE
SOL.
—-R.
BRAKE
SOL.
|
Fw
90;
JI3t
CH~2
CH-3
vi30
wen-urn
=
CH-4
Uy)
CH-!
CH-2
Ji32
cH-3
Xy
7X
7X\
7X
NOUDuU
Ss
P
702
CH—4
Jt
PL
C
9,10
AAPSTAN
SERVO
PCB
ca
c3
SYoa
0.22/35V{
D.T.)
R30
ig
STOP
SENSOR
PCB
REO!
2.7k
Rg08
el
/
t
Re04
ray
100%
Q804
Re06
C803
ll
HU
=
am
ke
22k
10/25
i
-
D
Gis
"ee
=
ate
pce
——
Une
:
roe
THAT
a
Q601
Q602
Q603
gee.
ke
[ConNeCT:
ION
PCB
]
[CONNECTION
PCB
oe,
6
t
'
REEL
MOTOR
WY)
pina
R05
RIGHT
Q
a
jit
94
ORG
RED
|
L
olva
(
)
|
[atts
foe
ee
lll
tetectece,
|
csor
I
(7+1.5)u/250V
|
a2
——
Cr
-S
eT
cy
cor
|
\
7u/250V
Nese
fectoe
os:
a
fe
|
|
I
L._
->7.
CANADA)
U.S.A,
|
AUSTRALIA,
ong
8D
L
EUROPE
REEL
MOTOR
-
LEFT
CONTROL
PCB
POWER
SUPPLY
PCB
CAPSTAN
SERVO
PCB
STOP
SENSOR
PCB
REF.NO.
DESCRIPTION
[Rer.no.
|
cescription
|
[ReF.no.
|
oescRiPTion
|
25545
(0K)
asar
25ci3i8(81
ai,
03
|
zscezaa-A
or
28C05-
gros}
asa733ie)
geo?
Fasosisiey
|
[9a
]asaseaart
or
50755-7
jos
f2sp23s-o
sd
9604
2S0313(E)
7301~2303
|
0.17400V
0736
0276.2Aa
0619,
0620
ISR34~-200
25A73306)
asos[
escsein
[esos
['wz-080
|
E
717
25C945(LK)
[2saso7(e)
|
2SA733(P)
607
28C1318(S)
2604
!
720,722
|
2Sa733(P)
608
2S0600KiE)
2605
aaa
a72i
2SD600Kie)
0609
2S0613(E)
EJ
Del?
err
R02.
SoLsowi
Q724~
0726
|
2SA733(P)
0601~
0607]
1SR34-200
286
945(LK)
1SR34~200VL
.:
o
626
0609
[esosizte)
|
D610,
0611
|
wz-06!
‘a7
|
0701~0730
|
isza73vE
0612,
0613
|
1SR34-200vL
K)
eee,
zene
20
0732~0735
|
Isea73ve
Dela~
0618
|
|
the
as
[o7ar-~
oreo
[isaarave
|
oeat,veza}
=
3312)
o6is
|
vez2
D737-~
0740
|
ISAA73VE
062!,0622
|
ISR34-200VL
Sa)
|
re’
O74
0276.24
0623,0624
1SR34-200
“R63I
feri2jcms
fT
Keo3—'700/2w)
€701~
C706
oy
C616
zaresy
Lezehcres
|
eee
ie
ee
NOTES
1.
ALL
RESISTORS
ARE
%
WATT.
5%,
UNLESS
MARKED
OTHERWISE.
RESISTOR
VALUES
ARE
IN
OHMS
(k=
1.000
OHMS,
M=1,000.000
OHMS).
-————$_—_—
-
J
2.
ALL
CAPACITOR
VALUES
“AE
IN
MICROFARADS
(p=PICOFARADS).
[+
[os
“78
|
bw
Nom
efe):3
10): 7-4u
(yi
[Revision
[oars
|
chance
no
Sia

Other manuals for Teac A-3440

Related product manuals