EasyManua.ls Logo

Teac A-3440 - Page 57

Teac A-3440
59 pages
Print Icon
To Next Page IconTo Next Page
To Next Page IconTo Next Page
To Previous Page IconTo Previous Page
To Previous Page IconTo Previous Page
Loading...
(
PLAY
EQ.
AMPL.)
(G
239.508)
235V
(6
=17739.a8)
ARI3!
470
cl20
82P
SOURCE
SYNC
TLSV
ILSV
j
Pi2!
!
\
r--
ciig
|RI44
22k
|
|
|
cuz
(O7'V
J
2
R45
[ciat
'
'
Se
HEADIN
lt
a
100
|2.2/50VLR
o
6
T
goo.
pike
2.4.6.8
>a
LR)
a
$33I-1
[$33I-2
\
RIg2
UOl3mw.
@
—Rias
nao
[
[cus
0.d01
|
"PAP
nen
|
area
[|
1.3.5.7
a=
RQ
ClI2
56k
100/25V
RIB
33k
2/.4V
R120
10k
R121
10k
RI24
C3
ode
S59
PLAY
EQ.
RI22
5kB
RI23
33k
6.3V
=
RI25
10k
—-RIZ6
10k
(-eaggiti3~s
416
_,
SEND
Co
aa
pec
ae
Peer
ee
RCV
(-
Ls
Capron
(-
808s)
J42I~
J424
sas
eaiee
_SEND
Cm
[TO
ENCODER;
RCV
O
(88s),
p35
~J428
(G=38.7d8)
(G
223.6
+28
ae)
C304
:
0.015
C305
0.0033
C3l2
270P
1.5V
(SYNC.
AMPL.)
R305
220k
R306
2.7k
Eayi
C306
10/25V
LR
S39
Ssov
7
R302
Ik
fe
fOSdB)
R307
(LR)
R308
cszo2
|
2
4
100
10k
10/16V
ILSV
D301
(OT)
D302
c30l
R304
$R303
0.033
270
100k
ILSV
)
(DBX
CONTROL
SIGNAL,
307
Cae
4
0:01
{ourTPUT
SELECT
|
SELECT]
$33!
PLAY
o!
!
Ys33r-3
ee
ee
ae
FUNCTION
SELEC
=
a
area
(REC
RELAY)
O3€t
4.35V
PR27
7121
Re713
36
33k
227
<"6.8
240V
OESCRIPTION
J430
2
>
cH
.
3
>cH
4
5
>
ct
CH4
6
>the
(MIC.
AMPL.
)
soe
Bey
(LINE
AMPL.)
RIS7
1.5k
RI82
pithg
5.6k
C147
33P
a
RI94
50k8
19.5V
INPUT
INPUT
e
(-8aBs)
C137
Ri7e
=
QUI6
LINE
wigs
e
(-61.2dBs)
2.2/50V
|
Ik
(-218dBs)
oa
S40I-I
10/25V
0
.
|
9
a
;
RI96
claB
}b
Cl45)
sv
4
100
1/50V
J401~
404
0.47/SOVE
R192
(LR)
100k
R197
RI93
100k
3.9k
(G=39.408)
(-12d8s)
(
FUNCTION
RELAY)
‘CINE
IN!
(-2iaas)
|
|
~~
(eunctionsw)
sid
Od
iLINE_IN,
O—->—
{FUNCTION
SW)
J40S408"
|)
ea
eo
Saye
oy
ee
ee
ea
R366
4.7k
5
R337
jay
27k
0332
56k
5
sy
23.3V
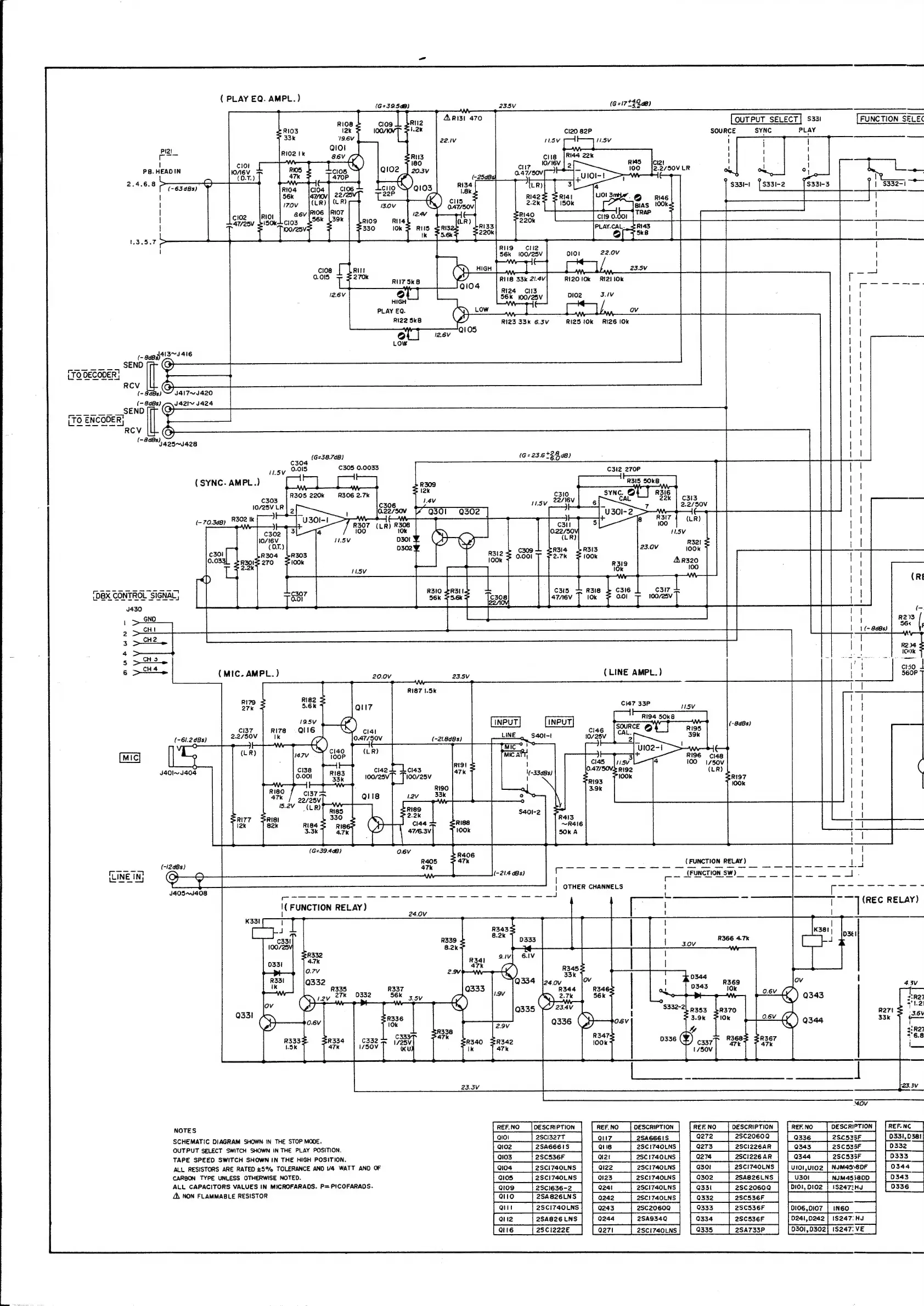
NOTES
[
REF.NO
[DESCRIPTION
REF.NO
|
DESCRIPTION
REENO
|
DESCRIPTION
SCHEMATIC
DIAGRAM
SHOWN
IN
THE
STOP
MODE.
OUTPUT
SELECT
SWITCH
SHOWN
INTHE
PLAY
POSITION.
TAPE
SPEED
SWITCH
SHOWN
IN
THE
HIGH
POSITION.
ALL
RESISTORS
ARE
RATED
+5%
TOLERANCE
AND
1/4
WATT
AND
OF
CARBON
TYPE
UNLESS
OTHERWISE
NOTED.
ALL
CAPACITORS
VALUES
IN
MICROFARADS.
P=
PICOFARADS.
2X
NON
FLAMMABLE
RESISTOR
raior_[ascisarr__|
[aioe
|
asaeee13
|
[os
|
asceser
|
Faia
[2sci7aouns
|
[a10s
_[ascizaouns
|
ais
[2sciese-2
|
[aio
[asaaaeins
|
Paint
|
2scrraocns
|
Fare
2saeaeuns
|
Laue
[asciz2ze__|
[aie
|
2Sci740LNs
|
[at]
2sci74ouns
|
|
gi2z2_
|
_2sci740LNs
|
|
qi23_
|
2sci74ouns
|
|
gaat
|
2Sci740LNs
|
|
g242___|_28ci740Lns
|
|
e243
|
_asc2zo60q_|
Foase
|
2sAs340
_|
Laars
|
esciezean
|
[azre
|
ascizeear
|
asor
|
2scirao.ns
aso2
|
asaezeins
|
Passi]
esczosoa
|
Passe
|
escsser
[osss__|
escsser_
|
9335
|
2sa733P_—s|
DIO,
DIO2
:
bes.
ae]
D241,0242
D301,
0302
0331,D38!
2SC535F
2SC535F
NJM45"80F
NJM45380D0
(S247:HJ
18247:
HJ
1S247:
VE

Other manuals for Teac A-3440

Related product manuals