EasyManua.ls Logo

Teac A-450 - FREQUENCY & VOLTAGE CONVERSION

Teac A-450
58 pages
Print Icon
To Next Page IconTo Next Page
To Next Page IconTo Next Page
To Previous Page IconTo Previous Page
To Previous Page IconTo Previous Page
Loading...
QIOl
2SA72I1(T)
@102_
2SC1327(T)
Q103
28¢1327(T.s)
IPLAY
-44dB
PLAY
-55dB)
9.IV
RIO3
56k
REC
-31dB
REC
-41dB
Ri44
560
R102
aie
f
clos
cue
DOLBY
B
TYPE
PROCESSOR
C104
470P
5
7yRIO4
47k
z
/35V(DT)
470/16v.
R
100
mv
(-17.8dB)
at
test
point
ia
7 8 9
cio2
Se
h262
om
Seon
Sa
WO/I6V(DT)
VR404
20kAx2
R14
100k
Clio
R108
68(U)}
100710V
Ri2!
47k
Lio!
1.2mH
101
tice’.
‘eit
Quo
2S¢828(S)
33/10V
4.7
kl)
6
,
tie
Ru2
RUB
7248
rt
8201) 6801)
C136
=>
107
i6v
lL
<>
R/P
HEAD
_
R
<4
=
PLAY»
REC
@
5780
Be
214
|
PHONES
JIO3
JIO4—A
OQ
ine
we
2
saad
=
q
@
RCH
.]
2
JI04-B
l
i
u1o2
:
402
page
g
R120
2.7k
'vVR403
100k
RIGI
22k
VR401
50kax2
2
VR402
5OkAx2
DOLBY
FM!
LGAL__o
€404
10/25V
L103
1OmH
R128
2.7k
R129
12k
C135
RI64._-3.3k
C137
10/16V
C13)
47/6.3V
7
cli8
0.0068/50V
(0.7)
Ci?
O.012tu)
C126
0.47/35V
2
P03
Q401
2SK30A(Y)
|
QI04
2SC644(T)
eae
R308
100k
;
{a
$401
MUTING-
SW
(PLAY
LE
VER)
D302
ERASE
HEAD
C305
1000/16V
=
(2w)
FR2-02
361
R307
470
C306
1000/16V
¢307
363
2.2/25v
0:
€303
1000/35V
€304
1000/25V
R301
560(3w)
C301
47/25V
1000/35V
R356
3.3k
R362
33k
PAUSE
LEVER
S
re
REED
sw
{5
$109
AUTO
STOP
SOLENOID
sno
R-CH
1
BRAKE
LEVER
CAPSTAN
ac
goov
MIOL
VU
MOTOR
————
ee
0.033
+
120
b
-
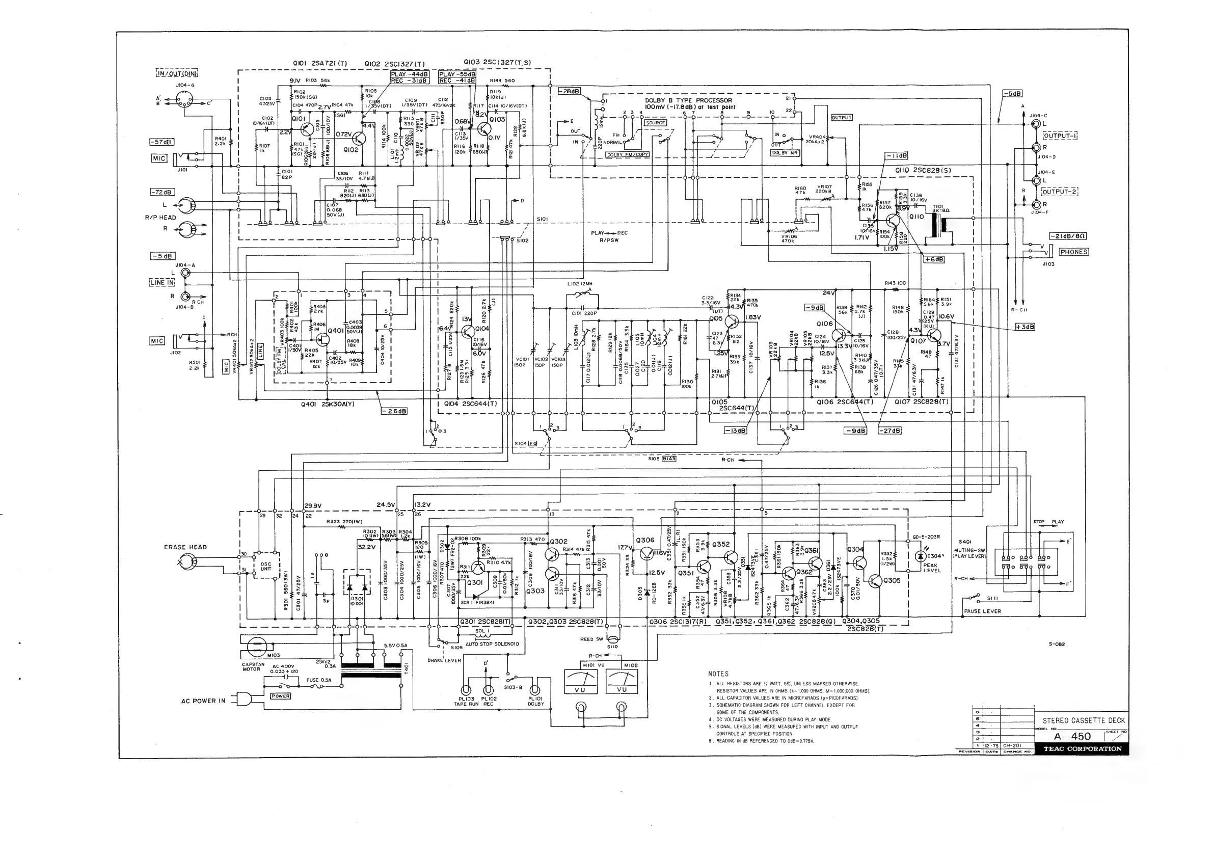
NOTES
FUSE
0.54
a
°
/
/
1.
ALL
RESISTORS
ARE
4
WATT,
5%,
UNLESS
MARKED
OTHERWISE.
OQ
OQ
|"?
Q
vu
vu
RESISTOR
VALUES
ARE
IN
OHMS
(k=
1,000
OHMS,
M=
1,000,000
OHMS).
AC
POWER
IN
[Power]
PLIO3
=
PLIO2
PLIO!
ALL
CAPACITOR
VALUES
ARE
IN
MICROFARADS
(p=PICOF
ARADS).
TAPE
RUN
REC
DOLBY
~)
G)
.
SCHEMATIC
DIAGRAM
SHOWN
FOR
LEFT
CHANNEL
EXCEPT
FOR
5
a
SOME
OF
THE
COMPONENTS.
.
DC
VOLTAGES
WERE
MEASURED
DURING
PLAY
MODE.
SIGNAL
LEVELS
(dB)
WERE
MEASURED
WITH
INPUT
AND
OUTPUT
CONTROLS
AT
SPECIFIED
POSITION.
.
READING
IN
dB
REFERENCED
TO
0d8=0.775V.

Other manuals for Teac A-450

Related product manuals