EasyManua.ls Logo

Teac A-450 - PC BOARD SECTION (Diagram); RECORD;PLAYBACK AMPLIFIER

Teac A-450
58 pages
Print Icon
To Next Page IconTo Next Page
To Next Page IconTo Next Page
To Previous Page IconTo Previous Page
To Previous Page IconTo Previous Page
Loading...
Toovey
~
LEM/COPY
CAL}
TNE
IN|
INE
IN]
Q—
AM
-
vR4Ol
101/201
MIC
Qior
201
R
102/202
1
«3
.
irae
203
——l|
S|
vRIO2
/202
P
|
SIOl
R/P
Sw
|
aaa
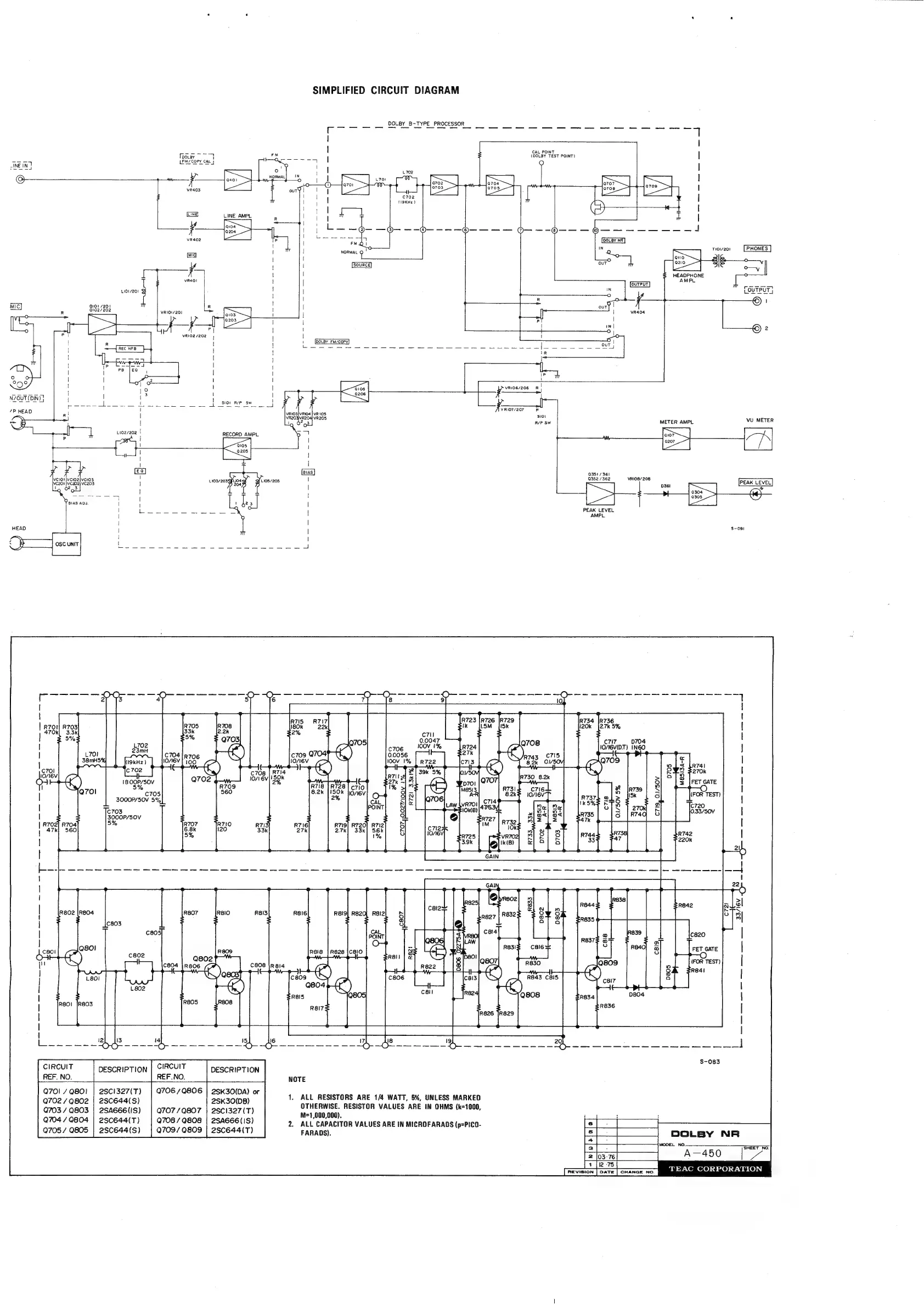
CIRCUIT
REF.
NO.
Q70!
/
Q80!
Q702
/
Q802
Q703
/
Q803
Q704
/
0804
Q705/
Q805
Qsol
RECORD
AMPL.
L103/203gf
004
105/205
204,
est
1800P/50V
5%
c705
3000P/50V
5%
DESCRIPTION
Ge)
WS
L8Ol
R8OI
|R803
CIRCUIT
REF.NO.
DESCRIPTION
2SC1327(T)
2SC644(S)
2SA666
(IS)
2SC644(T)
2SC644(S)
Q706
/Q806
Q707/Q807
Q708
/
Q808
Q709/
Q809
2SK30(DA)
or
2SK30(DB)
2SC1327(T)
2SA666
(1S)
2SC644(T)
SIMPLIFIED
CIRCUIT
DIAGRAM
DOLBY
B-TYPE
PROCESSOR
1
[OOLBY
FM/COPY]
NOTE
1.
ALL
RESISTORS
ARE
1/4
WATT,
5%,
UNLESS
MARKED
OTHERWISE.
RESISTOR
VALUES
ARE
IN
OHMS
(k=1000,
M=1,000,000).
2.
ALL
CAPACITOR
VALUES
ARE
IN
MICROFARADS
(p=PICO-
FARADS).
CAL
POINT
(DOLBY
TEST
POINT)
|
TARiitenr
LOUTPUT
|
TroW/201
ray
HEADPHONE
AMPL
¥-
R107/207
P
si01
R/P
SW
0703
Mg5i3
METER
AMPL.
9351/36!
Q352
/362
VRIOB/
208
O36!
9304
“J
Gay.
0305
a
Nay
PEAK
LEVEL
AMPL
$~-o9!
0705
M8513A-R
C719,
0.1/50V
fi2-75{
[Revision
[
bate
|
cnance
no.
|
BP
27
KOM
O10)
53510):
7.
UU
(0)

Other manuals for Teac A-450

Related product manuals