EasyManua.ls Logo

Teac A-6300 - Page 110

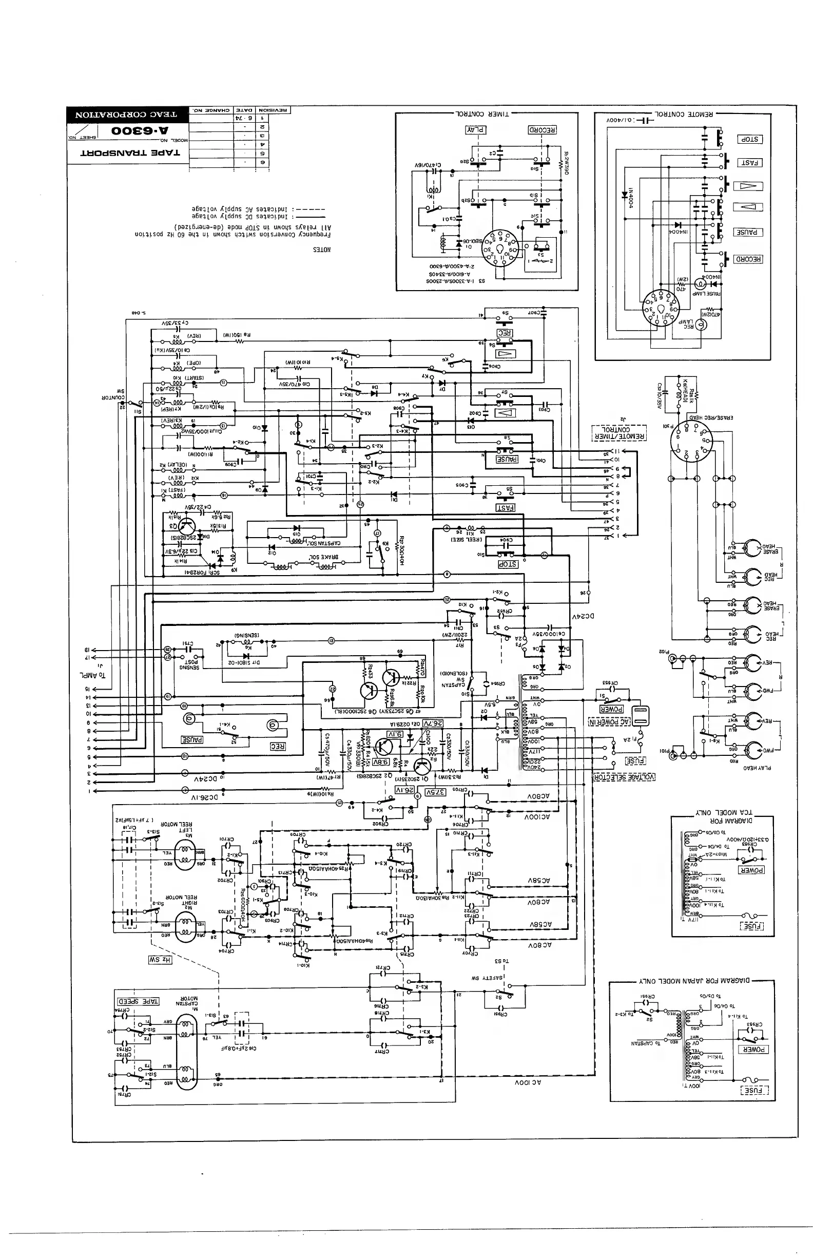
Teac A-6300
112 pages
Print Icon
To Next Page IconTo Next Page
To Next Page IconTo Next Page
To Previous Page IconTo Previous Page
To Previous Page IconTo Previous Page
Loading...
NOIXVHOcJHOO
,
00£9'W
X33HS
'
-ON
H3COW
IdDdSNVdl
3
dVi
n
oyiNoo
yawn-
a6cii.0A
X'l.ddns
3
v
sapeo.Lpui
:-
9614
[oa
A|ddns
qq
sapeoipui
:-
(pazLd-iaua-ap)
apoui
jois
ui
UMops
s/Ce|au
14V
uo.14.1sod
zh
09
spd
ul
uMops
popiMS
uoLsuaAUOQ
Aouanbajj
ase/ee^o
->1-
sx
(A3dl
(MI)OSI
sa
i—o—
1
000
>
—O—--AAA/
(nXlASE/0183
-)l-
!3d0)
—o-£-
r
-
01
>1
uavis)
-o-vflflfty—jp
-©-
1
OS/dZZSO
’---)l-1
wO
(vT)0
a
QQQ^
—O-VW~—
M3HKM
(*3/11X01
«a
,
(
_
(A3UJEX
si
~
"
1
—o—
kSS&j—*
-©—
1
oin
t
l
Z*ASE
/OOQlsl
'IQ
r*n
--
Z>|
(AV130)
N
6063
1
O—
\OOQf
~K3
"
1
(A3U)
ZiX
—O—
vOOP-r
-O--<>—
iMdSVd)
_
sa
>—o-^asLr-+
-©-
w
1
ASg/22»0
^
(*iloioia
*
s
*{
«'—^—
AS£/0l”
OI0
_
_
f
m
i
“L
i
i
1
_
Hifi'aJ-
'
>1913
2'8
MSI
£18
(S)8285S2^
-)|
[910
A£‘9/rt^2
£'0
,
««ri
H|W8
-90-l09ls/ot,
S
9z
0
cV
,a
koJ4i°
OOE9-V/OOS^-VrZ
SOfr££-V/OOI9‘V
S00£2-V/S00££-V=
I
£S
6
S
'"l—...
r\
n
o
!
c
2-CN
,—11—L-
5*
t
\
i
__
klQSNViSdVO
,“ios
a»vae
j
^
^SZ^
I3ZIS
33391
T
-
*
X
inazaoj
imps
*
r
loyiNoo
"1
lyawii/jiqwayj
d/TA
on
fl
a
l
*
>
woaa/asvaa
xQV3H_.
asvaal
r
ism
01
(9NISN3S)
O—
\SlSL/
>
!
9
M
I
0
*
—u
1
n
ISOd
20-I09IS
HO
0NISN3S-
At>20a
01
>-r
AI
9
20
Q
8010
W
1338
IS
id31
EW
8010W
1338
-CIS
1H9I8
-
2W
---
1
'-2*
o
-
-@
"
■■
l-A11111—
*'»o
5
s
—;;
**
USD
ES
o_--
--)|--
IAA3/D0Z2
,JL
ASE/000190
-®--XJr
23
1
—r
_
eg
a
;
:»«
*
».»
■■■
-Tgl
1
1
Is
L^.
5
s
S
°1
3"
t(
ffi
(SW42I
,a|
r
n
7
i>
*Is
wlSdW
4
i~o_
T
\/V)
iS
oi$I_I
99
1
X-X
>
0
>
<0
_‘
Nd
9
1
HM
_
-
T
|
1
£
L
ASlr
3
f=>
AO
na)oooiDS2
90
U)££iosz
so
19
zo
.
rz~
Z
_
-
—H—
o-~)
-
vr6Z2Q
‘ZQ
jAZ'92|
s
t-
o
E
A9S
^oao
H
h
if?
-Xk~i
k
fzrf
3
Z
M
<
O'
1
>
Q
-
-
/4P\
9
5A022
u
W
-
(MlUfrAii
IS8280S2
so
(A)S
J
2(!S
375
OWIEE'U
10
|(
•(MOOHM
1
^l
ATgill
|
A9Z£
.|
50tti
p)-1
*
A083
k
®
*
e-sT^-rk
—%
-°TjZ
J
-()-
©
’•-">
i
L
(>
_lJ
aooidv
20683
90Z83
11
|
a
“k)-4
----1-1
os
I
_
o
]
E06a:
>
A
i-i»
z-oi>j
*
VH83'
n
*
-
Wv-
1
»-£>l
U0SlVVH0fr«28#
<
I-
UO£IVHO£8'8
*"»>
-1
iuosiWHOfreia
9
I-IIM
8010W
I
NVlSdV3
|
m
/
-\
1-E1S
£9
'
---
|
/—
SI180
\
I2Z80
^
suao
81180
£S
°1
I
MS
A133VS
1
9*
^
r*
1
-
!
I_I
drfe-o+arfg
913
A8QDV
A080V
-
A8S
0
V
A08
0V
fNialMOd
OVl
l
<===>
I
°
o
[3SM]
[aoiofijC
I?w3o/3
oSo
0»3
hJ
-O-S^/
039
^^0«dJ
30
A3
^
^^GMdJ
0W3H
AV3d
_aino
laaoiAi
voi_
aoj
wvaovia
C
:a/£0°i
A00t//U03l+EE0
so/
01
iHM^VS-10'W
r&O—
--—*-Q-«o-
gAO
*Z__
I
,
3
iA
0
I
M
3
MO
c
A
8
S
I
-I
|>|
01
mo
-
gA08
1-HM
oi
^00?*-»>I01
®^
Llsna.
-A3NO
33Q01AJ
NWdVr
dOJ
lAlVdOVIQ
is683
sa/ca
oi
1
'
*
1
£
90/frQ
01
I
-^01
l
_I
|
SSSMO
g
9
M
0
_
o
A00l
q
1
HM
,
NVlSdV
3
oi
°
038
U
AO
A00I
OV
-
»A8S
l-uxoi
-
»A08
e-iiMoi
»A8£__

Other manuals for Teac A-6300

Related product manuals