EasyManua.ls Logo

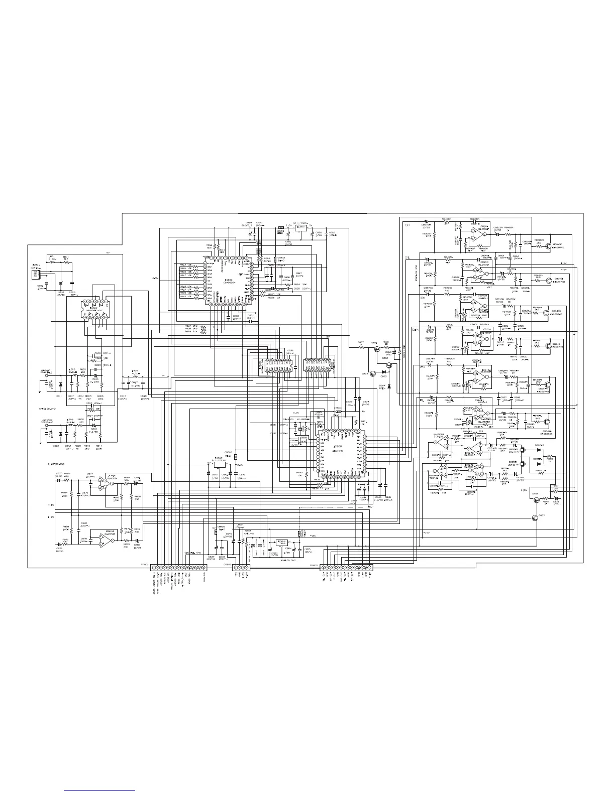
Teac AG-D8800 - DSP PCB Schematic

Teac AG-D8800
27 pages
Print Icon
To Next Page IconTo Next Page
To Next Page IconTo Next Page
To Previous Page IconTo Previous Page
To Previous Page IconTo Previous Page
Loading...
AG-D8800
DSP PCB
AM/FM Stereo Receiver
JSR1165-C
IN4148
IN4148
IN4148
IN4148
IN4148
KRC107S
KRA107S
KRC107
KRA107S
KRA107S

Related product manuals