EasyManua.ls Logo

Teac Esoteric C-03 - Block Diagram; Internal Signal Path Overview

Teac Esoteric C-03
16 pages
Print Icon
To Next Page IconTo Next Page
To Next Page IconTo Next Page
To Previous Page IconTo Previous Page
To Previous Page IconTo Previous Page
Loading...
13
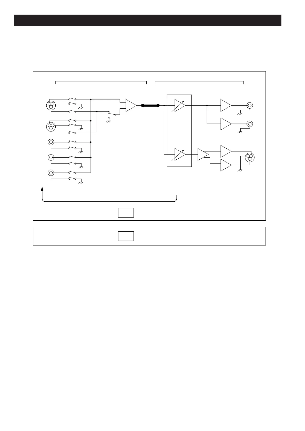
Block diagram
LINE
IN
LINE
OUT
XLR1
HOT
GND
COLD
HOT
8N Cu cable
+
+
COLD
HOT
GND
COLD
XLR2
RCA1
RCA2
XLR
Lch
Rch
RCA1
RCA2
RCA3/
SIGNAL
THRU
HOT
GND
COLD
Input circuit board
Output circuit board
In the “SIGNAL THRU” mode, the
volume is not adjusted and
output signal is through as it is.
Same as the Left channel
Volume control
Left-Right balance
Input level
Gain
SIGNAL THRU Operation
Balance
amplifier
PGA2320
XLR 1, 2 polarity
inversion
Input amplifier
(Discreet)
Volume control
amplifier
Output amplifier
(Discreet)

Related product manuals