EasyManua.ls Logo

Technics RS-B465 - Page 13

Technics RS-B465
27 pages
Print Icon
To Next Page IconTo Next Page
To Next Page IconTo Next Page
To Previous Page IconTo Previous Page
To Previous Page IconTo Previous Page
Loading...
|
rs.ba6s”
\M
Mi
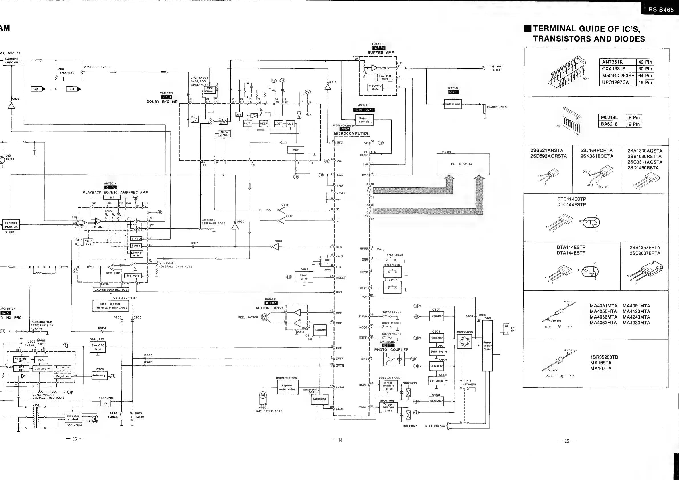
TERMINAL
GUIDE
OF
IC’s,
TRANSISTORS
AND
DIODES
ANT735IK
Q9,11(
010,12
}
BUFFER
AMP
aan
09)_—-———
:
=
1
)
[ANTGBIK
ee
VRS(REC
LEVEL)
\
ees
Seen
Oe
CXA1331S
|
‘aay
ais
I,
\
|
M50940-263SP
|
|
64
Pin
|
Pin
|
|
Ror
|
CB)
agi9
|
20
19
6
I
|
L401
L402)
0401,403
(0402,404
(BALANCE)
=
=
|
oH
UPC1297CA
M5218
[tas
aa
a
Buffer
amp.
MS218L
peter
on
|
HEADPHONES
25
24
23
(6)
\t7)__}t@)
—_——
o
22
(9)
2
,
,
é
E
e
=
aN
om
3
O
a
CXAI33IS
0922
iC401
é
DOLBY
B/C
NR
GH
2)
o
———
15511552)
Signal
M5218L__‘|
8
Pin
|
levei
det.
BA6218
|
9
Pin
|
a
ey
2SB621ARSTA
2SJ164PQRTA
2SA1309AQSTA
2SD592AQRSTA
2SK381BCDTA
2SB1030RSTTA
28C3311AQSTA
eh
cK
2SD1450RSTA
iP
he
hy
oe
al
Qs
¢
(Ql4)
ee
ee
ee
ne
Ee
ee
cor
b_-—_________4
DISPLAY
ANT351K
0145
Gate
SS
ce
uU
fict2)
}
PLAYBACK
EQ/MIC
AMP/REC
AMP
DTC114ESTP
a9te
tis
DTC144ESTP
L
s
2
:
Switchi
WBIGVRE?
9920
a
“4
c
“ye
Zs?
ey
(P.BGAIN
ADJ.)
A
|
|
.
Ze
i
2
ane2)
f
esi
e918
-
<<
+p
rec
eee,
DTA114ESTP
2SB1357EFTA
ot
|
S712(
ARM)
DTA144ESTP
2SD2037EFTA
xouT
au?
3S
VR3(VR4)
i
5
|
1
2
S7IS~716
8
(OVERALL
GAIN
ADJ.)
THB
xy
|
0913
x90!
SD
;
.
6
a
eee
a,
Z
27
2
lise
be
[eee
‘QP
B
|
7
—_—t
!
KEYI®
—oO
o—-
<4
RMT
POF
te
Ba6zi8
|
fic902
|
Motte
Re
ae
MA4051MTA
MA4O91MTA
cao
4
<}
+!
<3
awe
|
$975(R.INH)
ose?
MA4056HTA
MA4120MTA
358
'Y
HX
PRO
0806,
[ps0
REEL
MOTOR
a
|
|
FTW
$2
——o—o—
aan
MA4056MTA
MA4240MTA
al
(CHECKING
THE
¥
sf
<]
43
=)
RMF
iS
S97
1{
MODE}
MA4062HTA
MA4330MTA
EFFECT
S
ABV
RIT:
a
L
0904
=
Nee
i
|
MODE
nat
ac
Ca
o—fq—_"©
A
Di
et
4
Bs
|
l
S972(
HALF)
|
HALF
ao
921,923
Ye
pecsase
Bias
OSC
12
Jic
971
|
a
i
T
ae
|
PHOTO
COUPLER
Anode
wel!
Say
|
D903
|
t
1g
24
arse
res
A2
We
1SR35200TB
ay
|
0902
pe
MAI65TA
8h,
:
|
+
24
aTsM
|
i
Comparator
rrerecies
|
0305
|
|
Calhode
MA167TA
|
Y
0909,910,925
!
0902,905,906
ee
Grote
4
LO
De
Capstan
443
cape
BSOL
?
solenoid
SOLENOID
(POWER)
motor
drive
2903,904,
|
|
drive
7
|
|
VR301(
VR302)
M
|
0608
|
-
>
(
OVERALL
FREQ.
ADJ.)
D305~308
|
|
|
|
9907,
908
@
|
bd
Trigger
I
SIC
°
VRSO!
4
csoL
TSOL
9
solenoid
{
$976
10
}
S675
(TAPE
SPEED
ADJ.)
L
J
drive
O-
(Meta!)
\
cree
EI
SSS
SSS
i
control
I
Oo
~o——___-
Q30In,304
aS
ss
SOLENOID
To
FL
bsreay
{
=
13:
Sa
==159=

Related product manuals