EasyManua.ls Logo

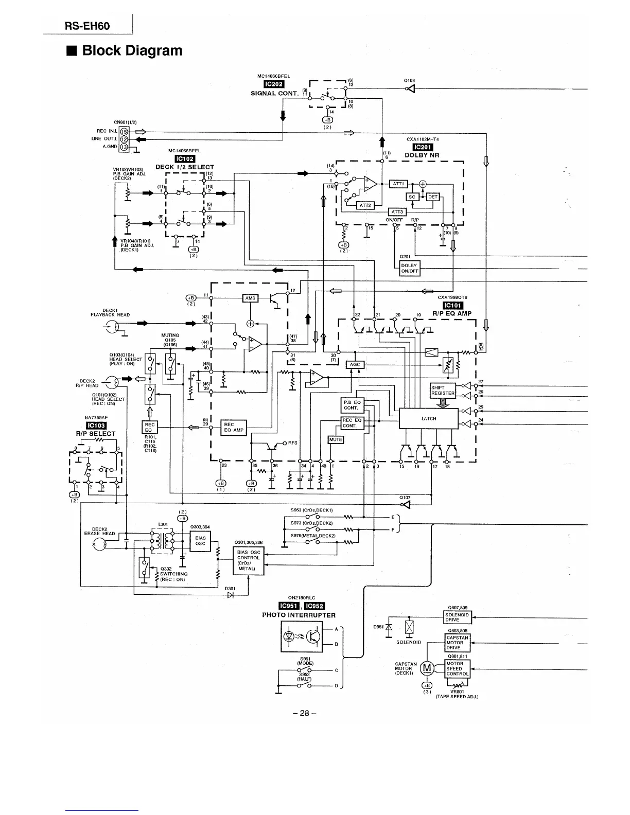
Technics RS-EH60 - Block Diagram

Technics RS-EH60
37 pages
Print Icon
To Next Page IconTo Next Page
To Next Page IconTo Next Page
To Previous Page IconTo Previous Page
To Previous Page IconTo Previous Page
Loading...

Related product manuals