EasyManua.ls Logo

Technics RS-TR474 - Page 17

Technics RS-TR474
50 pages
Print Icon
To Next Page IconTo Next Page
To Next Page IconTo Next Page
To Previous Page IconTo Previous Page
To Previous Page IconTo Previous Page
Loading...
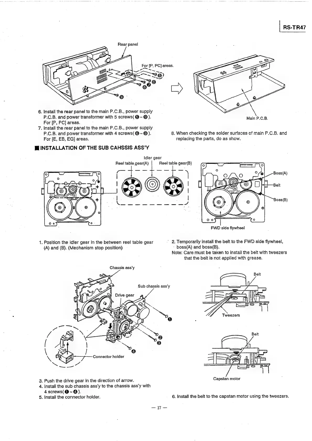
Rear
panel
6.
Install
the
rear
panel
to
the
main
P.C.B.,
power
supply
P.C.B.
and
power
transformer
with
5
screws(
@~@).
Main
P.C.B.
For
[P,
PC]
areas.
7.
Install
the
rear
panel
to
the
main
P.C.B.,
power
supply
P.C.B.
and
power
transformer
with
4
screws(@~@).
8.
When
checking
the
solder
surfaces
of
main
P.C.B.
and
For
[E,
EB,
EG]
areas.
replacing
the
parts,
do
as
show.
Ma
INSTALLATION
OF
THE
SUB
CAHSSIS
ASS’Y
Idler
gear
Reel!
table
gear(A)
i
Reel
table
gear(B)
qg
aoe
Sa
—--------
7
FWD
side
flywheel
1.
Position
the
idler
gear
in
the
between
reel
table
gear
2.
Temporarily
install
the
belt
to
the
FWD
side
flywheel,
(A)
and
(B).
(Mechanism
stop
position)
-
boss(A)
and
boss(B).
Note:
Care
must
be
taken
to
install
the
belt
with
tweezers
that
the
belt
is
not
applied
with
grease.
Chassis
ass'y
Connector
holder
3.
Push
the
drive
gear
in
the
direction
of
arrow.
Capstan
motor
4.
Install
the
sub
chassis
ass’y
to
the
chassis
ass’y
with
4
screws(@~@Q).
5.
Install
the
connector
holder.
6.
Install
the
belt
to
the
capstan
motor
using
the
tweezers.

Other manuals for Technics RS-TR474

Related product manuals