EasyManua.ls Logo

Technics SA-DA10 - Page 108

Technics SA-DA10
149 pages
Print Icon
To Next Page IconTo Next Page
To Next Page IconTo Next Page
To Previous Page IconTo Previous Page
To Previous Page IconTo Previous Page
Loading...
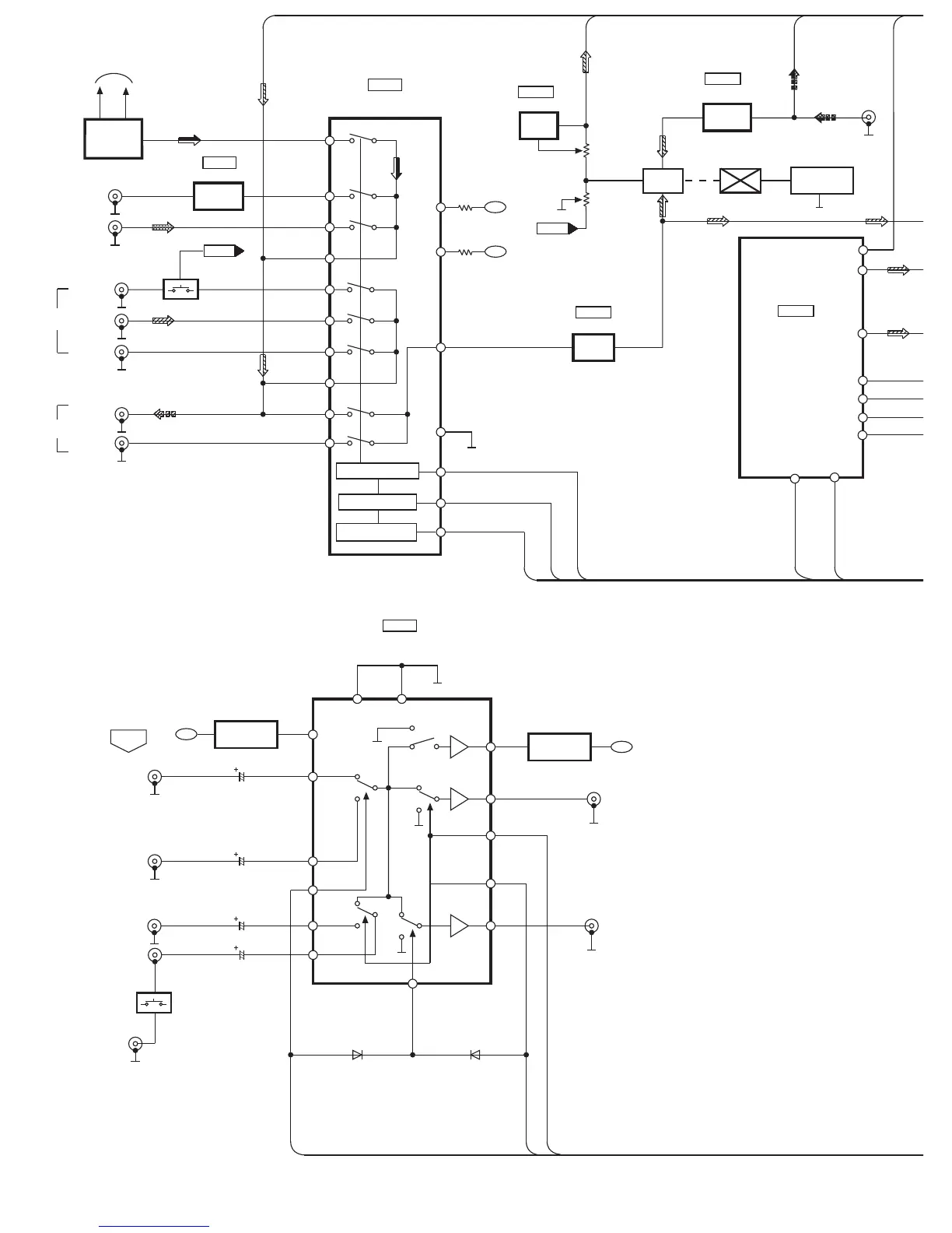
IC402
NJM4580EDTE1
IC451
AN6558F
IC503
NJM4580EDTE1
IC1011
CS4341-KSRC
D/A
CONVERTER
IC401
TC9163AN
INPUT SIGNAL SELECTOR
IC351
NJM2296D
VIDEO SIGNAL SELECTOR
CD
6 7
GND2 GND1
8
-V
Q352
Q351
+V
11
15
14
DT SEL
CK SEL
ST SEL
VIDEO A
VIDEO B
2
D352D351
1
7
9
10
13
(3)
26
X2
X1
X3
(2)
27
(4)
25
(5)
24
(6)
23
(7)
22
X4
X5
(9)
20
(10)
19
(12)
17
X7
X8
Level shift
Latch circuit
Shift register
GND
(11)
18
16
15
13
14
(8)
21
X6
TV IN
Vss
1
28
VDD
PHONO
PB
RO LCH
VCR
REC
(OUT)
PLAY
(IN)
TAPE
VCR1 OUT
MONITOR
OUT
VIDEO
TV IN
DVD IN
VCR2
REGULATOR
REGULATOR
PHONO
EQ AMP
5
VCR3 IN
VIDEO C
6
RL401
Q401
RELAY
DRIVE
BUFFER
AMP
IC404
NJM4580EDTE1
BUFFER
AMP
DVD LCH
TUNER
MODULE
TONE
AMP
VR502
(BALANCE)
DVD_LCH
REC_L
LCH
FROM IC901
S301
S301
VR501(L)
VCR1 IN
4(5)
15
AOUTA
6
7
1
2
3
10
CA16
CA17
8
AOUTA
LRCK
SCLK
CCLK
CDIN
/RST
SDATA
VCS
VQ
+B
+B
-B
-B
RCH
RCH

Other manuals for Technics SA-DA10

Related product manuals