EasyManua.ls Logo

Technics SA-DA10 - Page 111

Technics SA-DA10
149 pages
Print Icon
To Next Page IconTo Next Page
To Next Page IconTo Next Page
To Previous Page IconTo Previous Page
To Previous Page IconTo Previous Page
Loading...
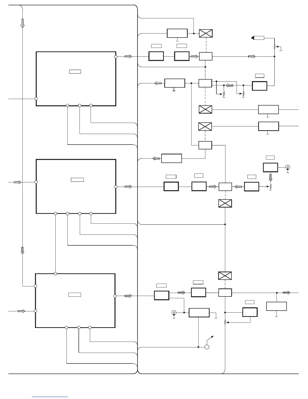
IC1211
TC9459F
SOUND CONTROLLER
(VOLUME)
IC1213
TC9459F
SOUND CONTROLLER
(VOLUME)
IC1212
TC9459F
SOUND CONTROLLER
(VOLUME)
IC506
NJM4580DD
IC1208
NJM4580EDTE1
RCH
IC505
NJM4580DD
Q1201
MUTING
13
12
14
13
12
14
4
(21)
L ch IN
(Rch IN)
2
LOUT
BUFFER
AMP
TONE
AMP
RL501
(D/A)
Q511,Q513
(Q512,Q514)
MUTING
VR502
(BALANCE)
TONE
AMP
RL502
(VGCA)
RL503
(BI-AMP)
RL504
D/A (LS)
2
IC1210
NJM4580EDTE1
BUFFER
AMP
TONE
AMP
IC507
NJM4580DD
TONE
AMP
IC502
NJM4580EDTE1
VR501
(SL)
Q503
RELAY
DRIVE
Q501
RELAY
DRIVE
Q507,Q508
(Q509,Q510)
MUTING
RELAY
DRIVE
Q502
SL_OUT
21
SW_IN
23(2)
LOUT
13
IC1209
NJM4580EDTE1
BUFFER
AMP
12
14
IC508
NJM4580DD
TONE
AMP
SUBWOOFER
OUT
IC504
NJM4580EDTE1
TONE
AMP
4
C_IN
MAIN_LIN
MAIN_LS
DT_VR
CK_VR
MUTE_S
ST_VR
DT_VR
CK_VR
ST_VR
ST_VR
CK_VR
DT_VR
RL505
(C)
Q515
(Q516)
RELAY
DRIVE
DPASS
BUFFER
AMP
IC405
NJM4580EDTE1
DVD SL
4
(21)
SL_IN
C_IN
16
9
CS1
DT2
CLK2
STB2
DT3
CLK3
STB3
CS2
DT1
CLK1
STB1
D/A
D/A
LCH
M
D_C
VR503
(BASS)
VR504
(TREBLE)

Other manuals for Technics SA-DA10

Related product manuals