EasyManua.ls Logo

Technics SL-1200GLDE - Schematic Diagram for Printing with A4 Size

Technics SL-1200GLDE
63 pages
Print Icon
To Next Page IconTo Next Page
To Next Page IconTo Next Page
To Previous Page IconTo Previous Page
To Previous Page IconTo Previous Page
Loading...
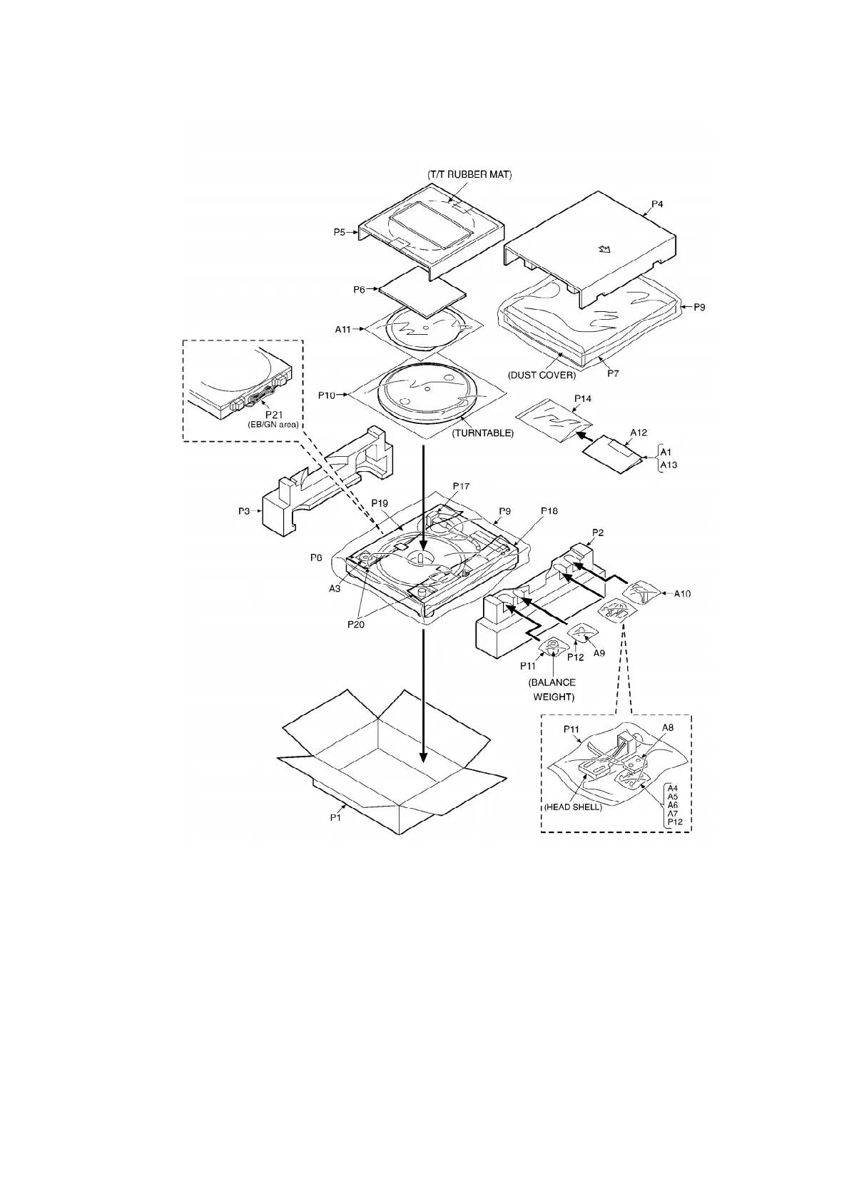
17. Schematic Diagram for printing with A4 size
K0303YH
35

Related product manuals