EasyManua.ls Logo

Technics SL-DZ1200PP - Page 159

Technics SL-DZ1200PP
174 pages
Print Icon
To Next Page IconTo Next Page
To Next Page IconTo Next Page
To Previous Page IconTo Previous Page
To Previous Page IconTo Previous Page
Loading...
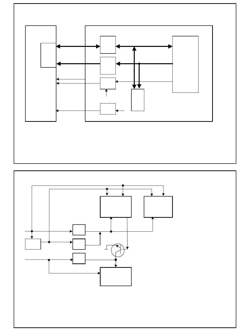
DZ1200 LCD access circuit block diagram
Refer to the item "Signal flow", LCD.
Fig 7
MAIN
IC9
Voltage conversion
Data bus LVX4245 Data bus
Controller
IC1, 19
Control bus
Control bus
Voltage conversion
+5V
+5 V power supply
Contrast PWM
voltage control
-10~ -13V
IC23
FLASH
ROM
Image data
IC8
+5V
Three terminal
+7V
regulator
DZ1200 reset circuit block diagram
Refer to the item "Signal flow", reset circuit.
Fig 8
+1.8V +3.3V +1.8V
+3.3V
RESET GIO RESET
IC11
+3.3 V power supply
+2.9V
monitoring IC
IC20
+1.8 V power supply
IC10
General purpose output
Three-terminal
+1.6V
regulator
monitoring IC
DE Q5
IC6
+5 V power supply
+4.5V
monitoring IC
+5V
Operation power supply
Contrast power supply
Backlight power supply
LCD unit
IC14
Scratch microcomputer
DSC25
IC14 IC34
-15 V power supply
Scratch microcomputer
Media microcomputer
DSC25 DSC25
RESET
IC2
UI microcomputer
M30622

Related product manuals