EasyManua.ls Logo

Technics SL-DZ1200PP - Page 160

Technics SL-DZ1200PP
174 pages
Print Icon
To Next Page IconTo Next Page
To Next Page IconTo Next Page
To Previous Page IconTo Previous Page
To Previous Page IconTo Previous Page
Loading...
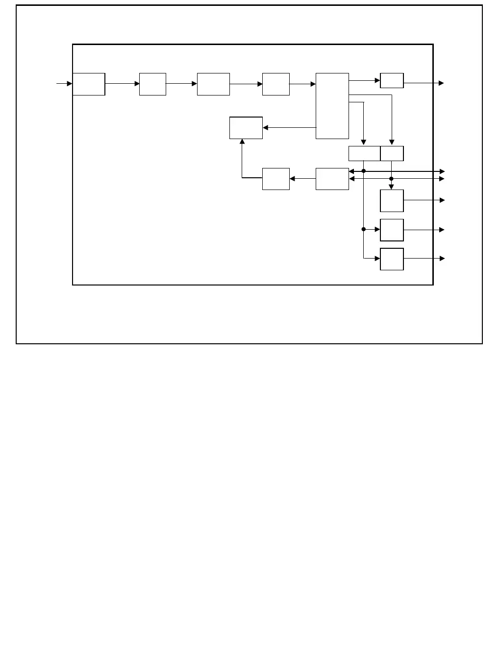
DZ1200 POWER circuit board power supply circuit block diagram
Fig 9
POWER
AC input
100~240V S1101 F1101 L1120 D1140 T1150 D1403
Power supply switch
FUSE L1121 Rectifier Switching Diode -15V
Line filter diode
transformer
1.6A
IC1150
Switching IC
MR1722
D1271 D1261
Diode Diode
Q1200 IC1200 +20V
Photocoupler
Voltage detection
+7V
IC1302
Three-terminal
+5V
regulator
IC1410
Switching
+3.3V
regulator
IC1201
Three-terminal
+15V
regulator
Refer to the item "Outline of the parts", POWER (power supply).

Related product manuals