EasyManua.ls Logo

Technics SX-PX552

Technics SX-PX552
87 pages
To Next Page IconTo Next Page
To Next Page IconTo Next Page
To Previous Page IconTo Previous Page
To Previous Page IconTo Previous Page
Loading...
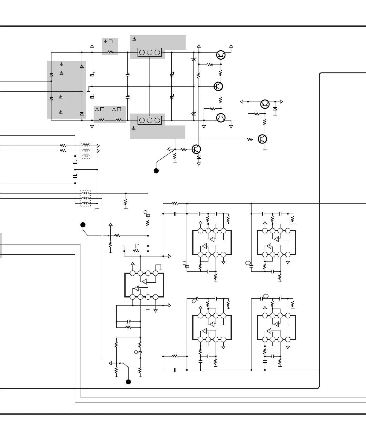
D4
SVDGS3V20-15
C6
-VCC
+VCC
35V4700
C9
0.1
C8
0.1
C11
16V330
D11
MA4180TA
D14
EK04W
D12
MA4180TA
R12
10K
R11
+15 +15M
-15
HPS
-15M
+15HM+15
PMUT
4.7K
R15
4.7K
R13
10K
Q6
Q5
Q4
Q1
Q2
Q3
R14
10K
R10
3.3K
R9
10K
R8
47K
R7
47K
R6
100K
D15
MA165TA5
C10
16V10
R4
6.8
L7
130uHx3
L6
130uHx3
R38
56K
C14
50N1
R39
6.8K
R36
22K
R35
3.3K
R37 22K
C15 220P
C4
35V4700
D6
SVDGS3V20-15
D9
SVDGS3V20-15
D7
SVDGS3V20-15
C56
0.1
C57
0.1
R99 680
R100 680
SUMR
SUML
EOINL
LOL
LOR
R5
6.8
R3
6.8
+15
-15
-VCC
+VCC
1 3 4
5678
2
-15
-15
-15
+15
+15
R33
56K
N
C12
50N1
C20
0.047
R43
1.8K
R44
270K
N
R34
6.8K
R40 10K
R41
2.2K
C16
0.015
C17
0.033
C18
0.0068
R31
22K
R32 22K
C13 220P
R30
3.3K
-VCC
+VCC
1 3 4
5678
2
-VCC
+VCC
1 3 4
5678
2
-VCC
+VCC
1 3 4
5678
2
C33
0.0068
C32
0.033
2.2K
R57
R56
270K
C24
0.0047
R47
2.7K
R48
180K
C19
50N1
C30
50N1
C23
0.22
R42
270K
N
R54
1.8K
C31
0.047
R55
270K
+15
R45
1.8K
C21
0.047
C22
0.0022
R46
180K
EOINR
R53 10K
C29
0.015
N
-15
+15
-VCC
+VCC
1 3 4
5678
2
C37
0.0022
1.8K
R61
R60
180K
C34
0.22
R58
2.7K
C35
0.0047
R59
180K
C36
0.047
F
F F
IC1
KIA7815PI
IC2
(+15 VOLTAGE REGULATOR)
KIA7915PI
(-15 VOLTAGE REGULATOR)
2SA1015TPE2
2SA1015TPE2
2SC1815TPE2
2SC1815TPE2
2SC1815TPE2
2SA1015TPE2
TF
TF
IC3
M5218AL
(MIXING)
IC5
M5218AL
IC7
M5218AL
IC6
M5218AL
(EQUALIZING)
IC8
M5218AL
(EQUALIZING)
(EQUALIZING)
(EQUALIZING)
I G D
I G D
PMUT
2
SUML
3
SUMR
4

Other manuals for Technics SX-PX552

Related product manuals