EasyManua.ls Logo

Technics SX-PX552 - Page 53

Technics SX-PX552
87 pages
Print Icon
To Next Page IconTo Next Page
To Next Page IconTo Next Page
To Previous Page IconTo Previous Page
To Previous Page IconTo Previous Page
Loading...
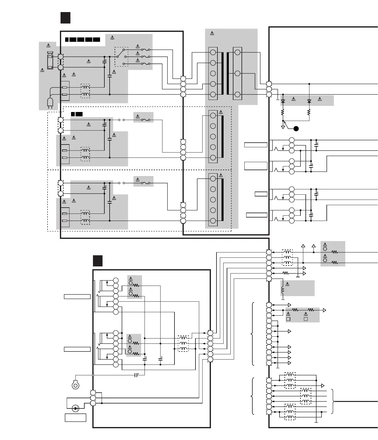
SNS
1
2
1
CN1
SW1
JK9
L1
QLQGT2T100LA
C1
SW1
QSRGT006AA
F2
CN2
4700P
4
3
2
1
1
2
3
1
2
3
4
5
6
7
8
9
10
11
12
SNS
VCC
VCC
E
E
PMUT
PMUT
E
E
-15
+15
SUMR
SUML
CN5
R116
SNS
2
AC1
AC2
C2
0.1
F3
F1
T1
POWER
TRANSFORMER
BLUE
BLUE
CN3
D1
ERA1502V5
JK7
LINE OUT L
R1
10K
D2
ERA1502V5
R2
10K
C55
0.0022
C54
0.0022
SNS
BLACK
2
1
SW2
CN1
JK9
L1
QLQGT2T100LA
C1
CN2
4700P
SW1
4
3
2
1
AC1
AC2
C2
0.1
F3
2
1
SW2
CN1
JK9
L1
QLQGT2T100LA
C1
CN2
4700P
SW1
4
3
2
1
AC1
AC2
C2
0.1
F1JP1
T1
T1
JP2
R115
+VCC
2
-15
+15
SUMR
SUML
FJASP CIRCUIT
B
HP CIRCUIT
I
1
2
3
4
5
6
7
E
A
B
C
D
E
CN6
+5DM
R16
QLQGT1B800MB
R17 3.3K
130uHx3
130uHx3
130uHx3
L3
L4
L5
+5D
SOFT
SOSU
SUST
MRXD
MTXD
JK8
LINE OUT R
/R+L
JK5
AUX L
JK6
AUX R/R+L
1
4
2
1
4
2
1
4
2
1
4
2
C59
0.0022
C58
0.0022
HPS
LORLOL
+15
CN4
1
2
3
4
5
6
R22
4.7
R28
4.7
L2
130uHx3
JK1
JK2
HEADPHONE2
HEADPHONE1
POWER
INDICATOR
D1
C1
0.047
C3
0.1
C2
0.047
R4
47
1
2
3
4
5
6
CN1
CN2
1
2
3
5
4
2
3
7
8
1
5
4
2
3
7
8
1
L1
130uHx3
F
R3
47
F
R2
47
F
R1
47
F
PC1
AC
POWER
CORD
PRODUCTS FOR
XXSXTXD
XA
PRODUCTS FOR
PRODUCTS FOR OTHERS
PPC
F F
TO
MAIN
CN1
TO
MAIN
CN6
W1
SEL4214RLC05
F
F

Other manuals for Technics SX-PX552

Related product manuals