EasyManua.ls Logo

Technics SX-PX552

Technics SX-PX552
87 pages
To Next Page IconTo Next Page
To Next Page IconTo Next Page
To Previous Page IconTo Previous Page
To Previous Page IconTo Previous Page
Loading...
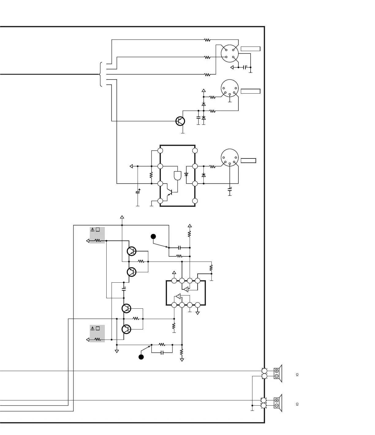
Q20
VOUT
VE
VCC
2SA933STRS
R114
330
D32
MA165TA5
C66
0.047
C65
220P
C60
0.1
D31
MA165TA5
D30
MA165TA5
R110
150
R111
33
R102
JK1
PEDAL IN
470
R104
470
R106
470
R113
220
C67
+5DM
50V1
NC
NC
GND
8
7
6
5
1
2
3
4
+5DM
+5DM
A
B
C
D
E
JK3
MIDI OUT
JK2
MIDI IN
-VCC
+VCC
1 3 4
5678
2
-15
HPR
+15
R21
22
R19 270K
R20
2.2K
R18
330K
SPR
14cm,6
C42 10P
C73
0.1
R25 270K
C43 10P
CN8
Q7
2SD592ARSTA
Q8
2SB621ARSTA
1
2
CN9
1
2
R29
22
EOINR
EOINL
HPL
+15
R24
330K
R27
22
R26
2.2K
Q9
2SD592ARSTA
Q10
2SB621ARSTA
R23
22
-15
SPL
14cm,6
F
F
IC12
QCPL-260L
IC4
M5218AL
(HEADPHONE AMPLIFIER)
(PHOTO COUPLER)
HPL
5
HPR
6

Other manuals for Technics SX-PX552

Related product manuals