EasyManua.ls Logo

Technics SX-PX552

Technics SX-PX552
87 pages
To Next Page IconTo Next Page
To Next Page IconTo Next Page
To Previous Page IconTo Previous Page
To Previous Page IconTo Previous Page
Loading...
23
24
42
1
26
27
28
2
9
8
7
6
17
16
34
35
36
37
38
39
40
41
15
14
13
12
30
31
32
33
22
21
19
20
25
18
10
5
4
3
29
11
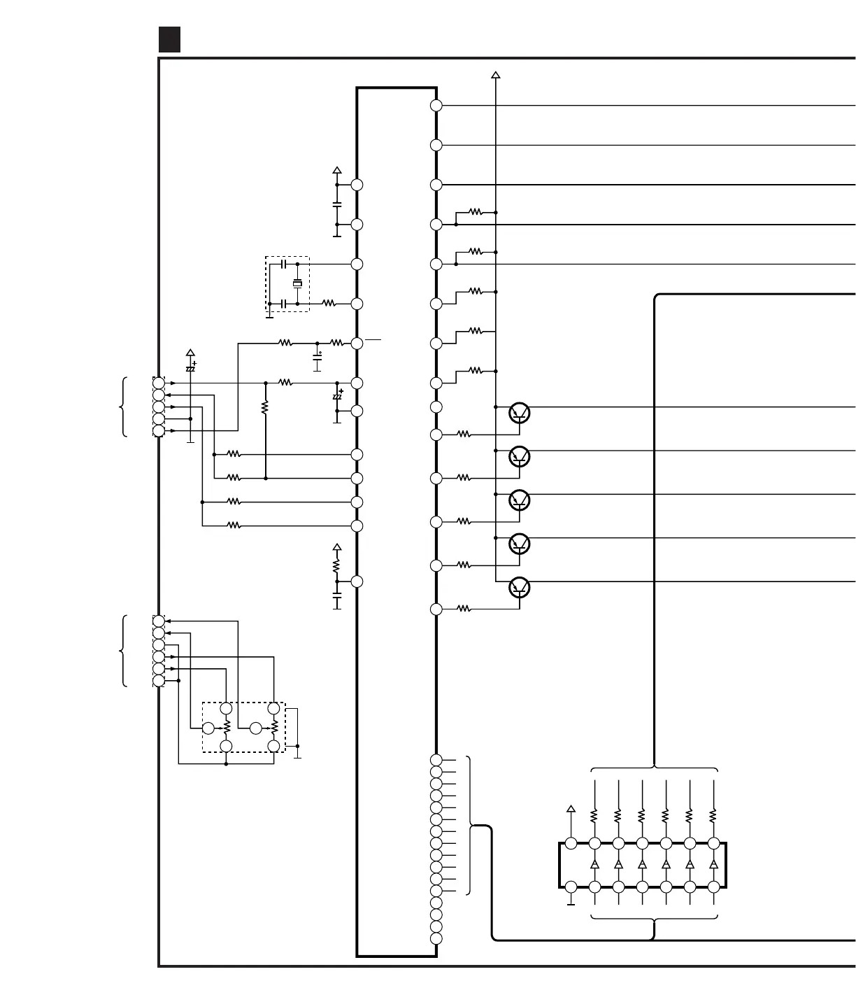
VDD
R1
4.7K
R4 100
R3 0
R2 0
EF0MC4004T5
0.1
C2
0.022
6.3V100
6.3V100
R10 10K
R7 220
R6 220
R8 470
R11
100K
R26
100
R27
100
R28
100
R29
100
R30
100
R31
100
10KR25
10KR19
10KR18
10KR17
C3
C4
C1
M37471M2196S
IC1
VSS
XIN
XOUT
RST
VREF
ID
SIN
SOUT
CLK
SW0
SW1
SW2
SW3
SW4
SW5
+5IP
CN1
QRVG25P01B53
2SA830STPB
2SA830STPB
2SA830STPB
2SA830STPB
2SA830STPB
Q2
Q3
Q4
Q5
Q6
CN4
VR2
DATA
SCK
E
5M1
SW6
SW7
CM0
CM1
CM2
CM3
CM4
CM5
SEG0
A
B
C
D
E
F
G
H
I
J
K
L
ABCDEF
ABCDEF
SEG1
SEG2
SEG3
SEG4
SEG5
SEG6
SEG7
SEG8
SEG9
SEG10
SEG11
SEG12
SEG13
SEG14
SEG15
CNTR1
ADD
R5 470
1
2
3
4
5
SUMR
SUML
E
VOLR
VOLL
------
1
2
3
4
5
6
10KR16
10KR15
10KR24
10KR23
10KR22
10KR21
+5IP
+5IP
+5IP
X1
+5IP
+5IP
14
7
12
13
10
11
8
9
6
5
4
3
2
1
VCC
GND
C7
0.1
2
3
1
2
3
1
UNLESS OTHERWISE SPECIFIED:
SWITCHES ARE EVQ21507K,
DIODES ARE MA165TA5.
CPL CIRCUIT
C
TO
MAIN
CN3
TO
MAIN
CN2
IC2
HD74LS07P
(HEX BUFFERS)
(8BIT MICROCOMPUTER)

Other manuals for Technics SX-PX552

Related product manuals