EasyManua.ls Logo

Tecumseh AH5540E - Page 74

Tecumseh AH5540E
120 pages
Print Icon
To Next Page IconTo Next Page
To Next Page IconTo Next Page
To Previous Page IconTo Previous Page
To Previous Page IconTo Previous Page
Loading...
66
SERVICE HANDBOOK
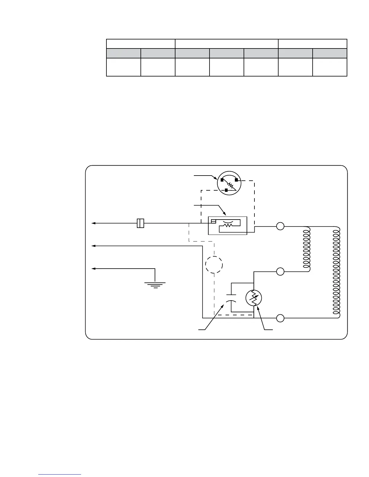
This PSC compressor has the following components:
Thermal Protector Type Relay Type Capacitor Type
Internal External Current Potential PTC Run Start
WIRED
The electrical system on this type of motor is shown in FIGURE 4-14. The actual position of
terminals on the relay may be different than shown in FIGURE 4-14. Use the letters and/ or
numbers on the actual relay to locate the terminals.
If replacement parts are needed, refer to the Tecumseh Electrical Service Parts Guide
Book for information on proper replacement parts, or call Tecumseh Products Company at
1-800-211-3427.
*Other auxiliary devices may be attached. Disconnect any auxilliary devices in Step 2.
FIGURE 4-14: PSC compressor motor type with external thermal
protector, wired-in PTC relay and run capacitor
Compressor - Unit
Ground
R
S
C
Line 2
Run Capacitor PTC Relay
Ground
Identied Conductor
(115 Volt Only)
Line 1
Alt. 3/4" Thermal Protector
4TM Thermal Protector
Star t Winding
Main Winding
Control
Fa n
Motor*

Table of Contents